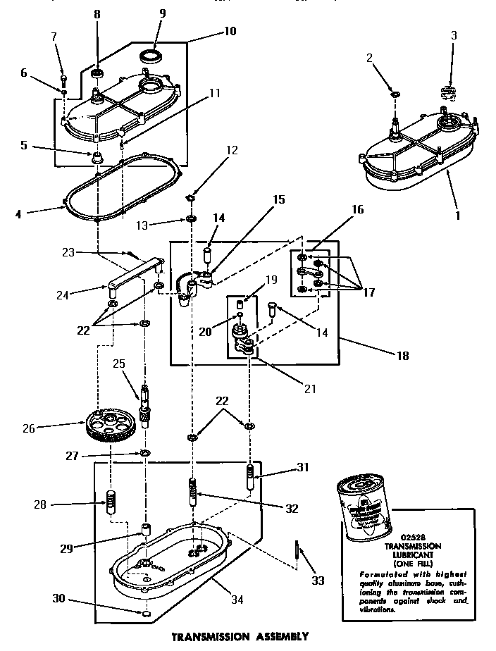
FA3080 23 – TRANSMISSION ASSY