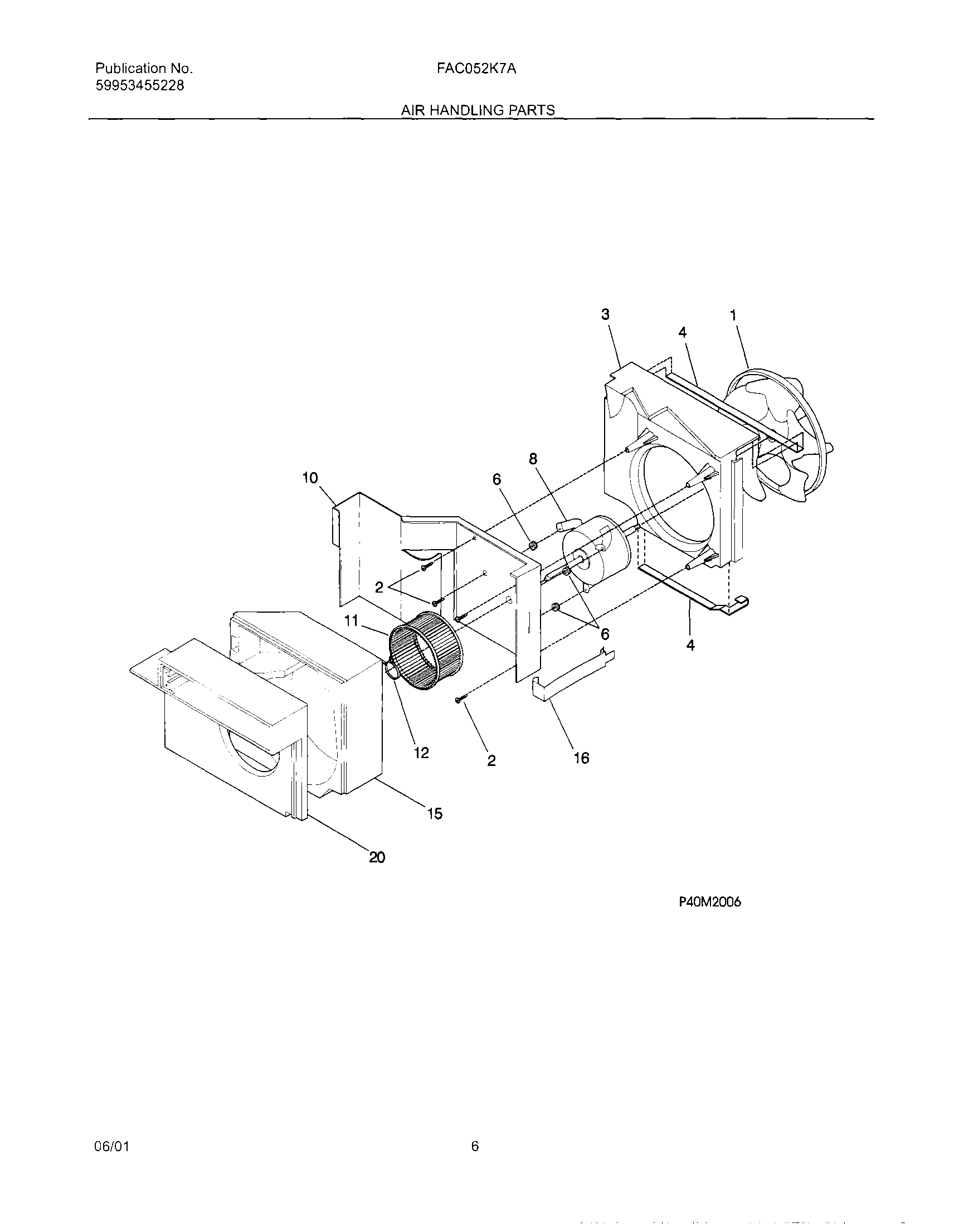
FAC052K7A6 07 – AIR HANDLINGadmin2025-04-26T09:02:46+00:00FAC052K7A6 07 – AIR HANDLING ProductsPositionProductNIWCI 53030121101WCI 3096245022131202300 Frigidaire Screw3Housing-fan,shroud4Seal-condenser top4WCI 53044233596WCI 53001054027134178901 Frigidaire Screw8WCI 30964240510WCI 30964370111Blower Wheel12WCI 30911210115Housing,blower scroll ,Extended16WCI 30910020118SCREW20WCI 309643003