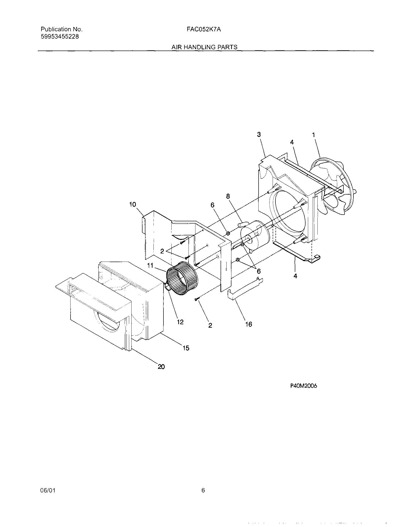
FAC052K7A8 07 – AIR HANDLINGadmin2025-04-26T09:02:41+00:00FAC052K7A8 07 – AIR HANDLING ProductsPositionProduct1WCI 3096245062131202300 Frigidaire Screw3Housing-fan,shroud4WCI 53044233594Seal-condenser top6WCI 080074817134178901 Frigidaire Screw8WCI 30964500210WCI 30964370111WCI 30964330212WCI 32716130215Housing,blower scroll ,Extended16WCI 30910020118SCREW20WCI 309643003