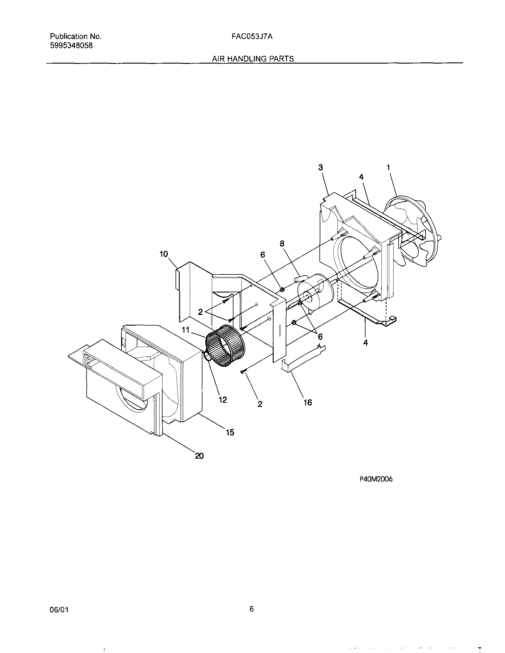
| 1 | WCI 309624502 |
| 2 | SCREW,INDT HEX HEAD ,10-16 ,(3) |
| 2 | 131202300 Frigidaire Screw |
| 3 | WCI 309624201 |
| 4 | SEAL-SHROUD BTM & TOP |
| 6 | WCI 5300105402 |
| 8 | WCI 309627302 |
| 11 | WCI 309603301 |
| 12 | WCI 309112101 |
| 12 | WCI 5303012110 |
| 14 | 134178901 Frigidaire Screw |
| 15 | WCI 5304407653 |
| 16 | WCI 309100201 |
| 20 | PLATE-BLOWER HOUSING,SCROLL PLATE |