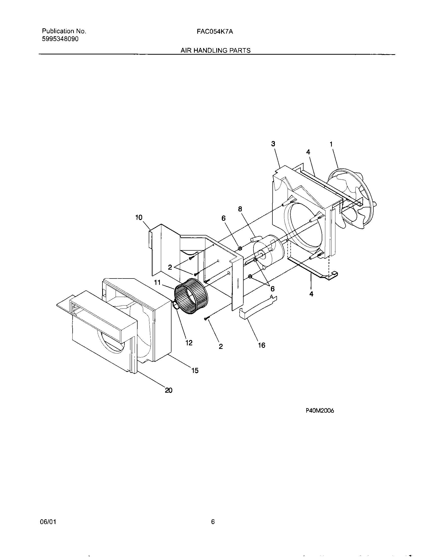
FAC054K7A1 07 – AIR HANDLINGadmin2025-04-26T09:03:03+00:00FAC054K7A1 07 – AIR HANDLING ProductsPositionProduct1WCI 3096245022SCREW,INDT HEX HEAD ,10-16 ,(3)2131202300 Frigidaire Screw3WCI 3096242014SEAL-SHROUD BTM & TOP6WCI 53001054028WCI 30962730211WCI 30960330112WCI 30911210112WCI 530301211015WCI 530440765316WCI 30910020118134178901 Frigidaire Screw20PLATE-BLOWER HOUSING,SCROLL PLATE