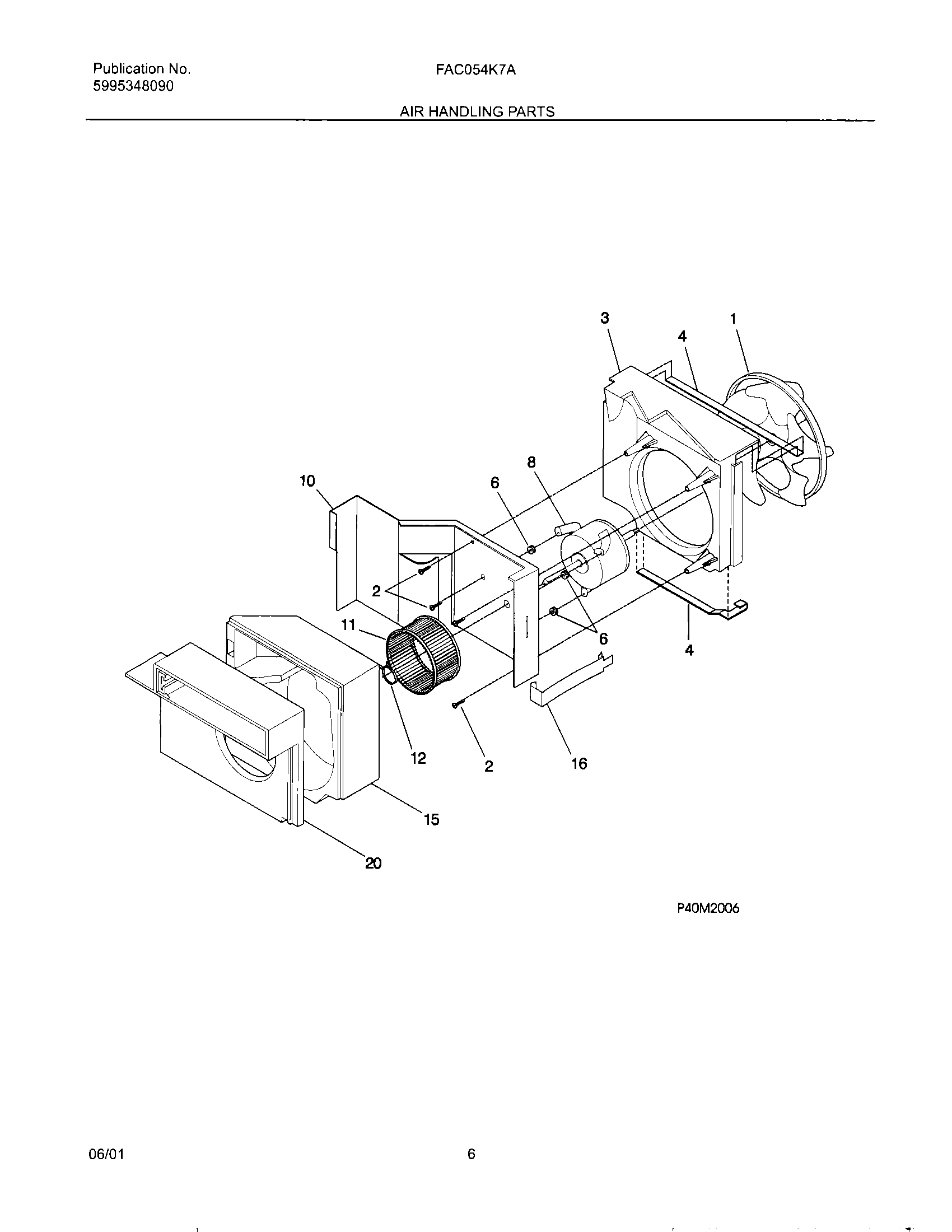
FAC054K7A2 07 – AIR HANDLING