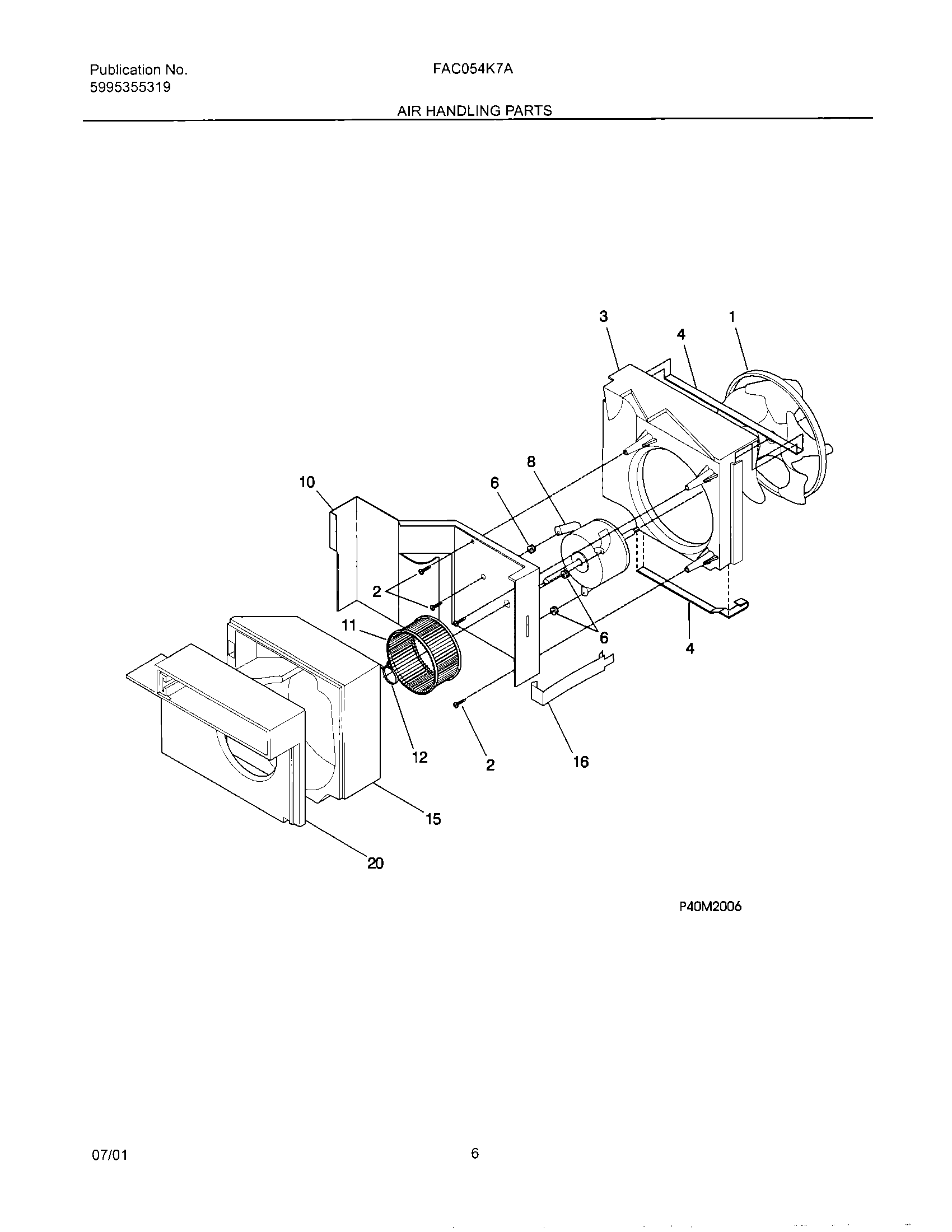
FAC054K7A3 07 – AIR HANDLINGadmin2025-04-26T09:02:55+00:00FAC054K7A3 07 – AIR HANDLING ProductsPositionProduct1WCI 3096245062131202300 Frigidaire Screw3WCI 3096242014SEAL-SHROUD BTM & TOP6WCI 080074818WCI 30964270110WCI 30960240411WCI 30963170212WCI 32716130215WCI 530440765316WCI 30910020120PLATE-BLOWER HOUSING,SCROLL PLATE