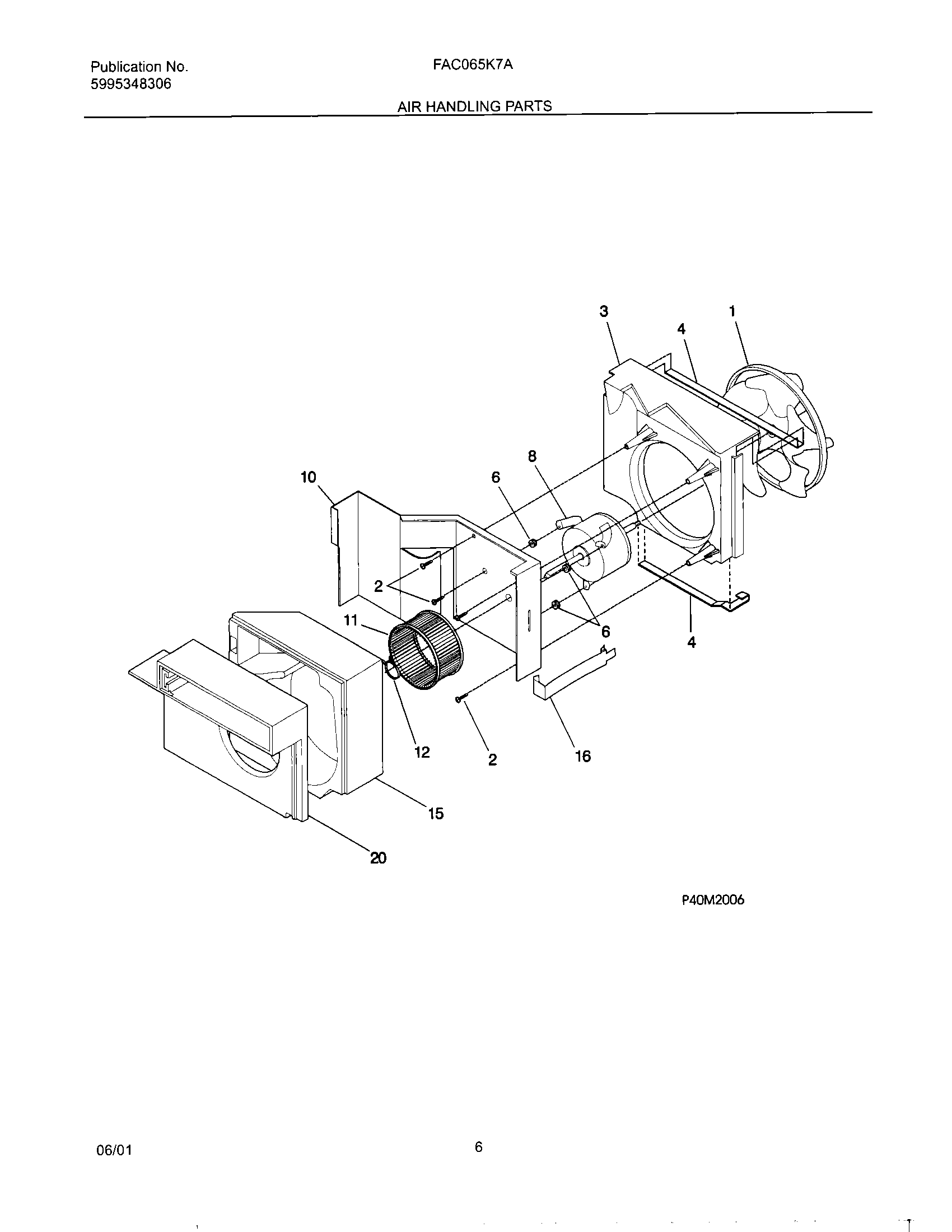
FAC065K7A1 07 – AIR HANDLERadmin2025-04-26T09:04:21+00:00FAC065K7A1 07 – AIR HANDLER ProductsPositionProduct1WCI 3096245022131202300 Frigidaire Screw2SCREW,INDT HEX HEAD ,10-16 ,(3)3WCI 3096242014SEAL-SHROUD BTM & TOP6WCI 53001054028WCI 30962730210WCI 30960240411WCI 30961710112WCI 30911210112WCI 530301211015WCI 530440765316WCI 30910020118134178901 Frigidaire Screw20PLATE-BLOWER HOUSING,SCROLL PLATE