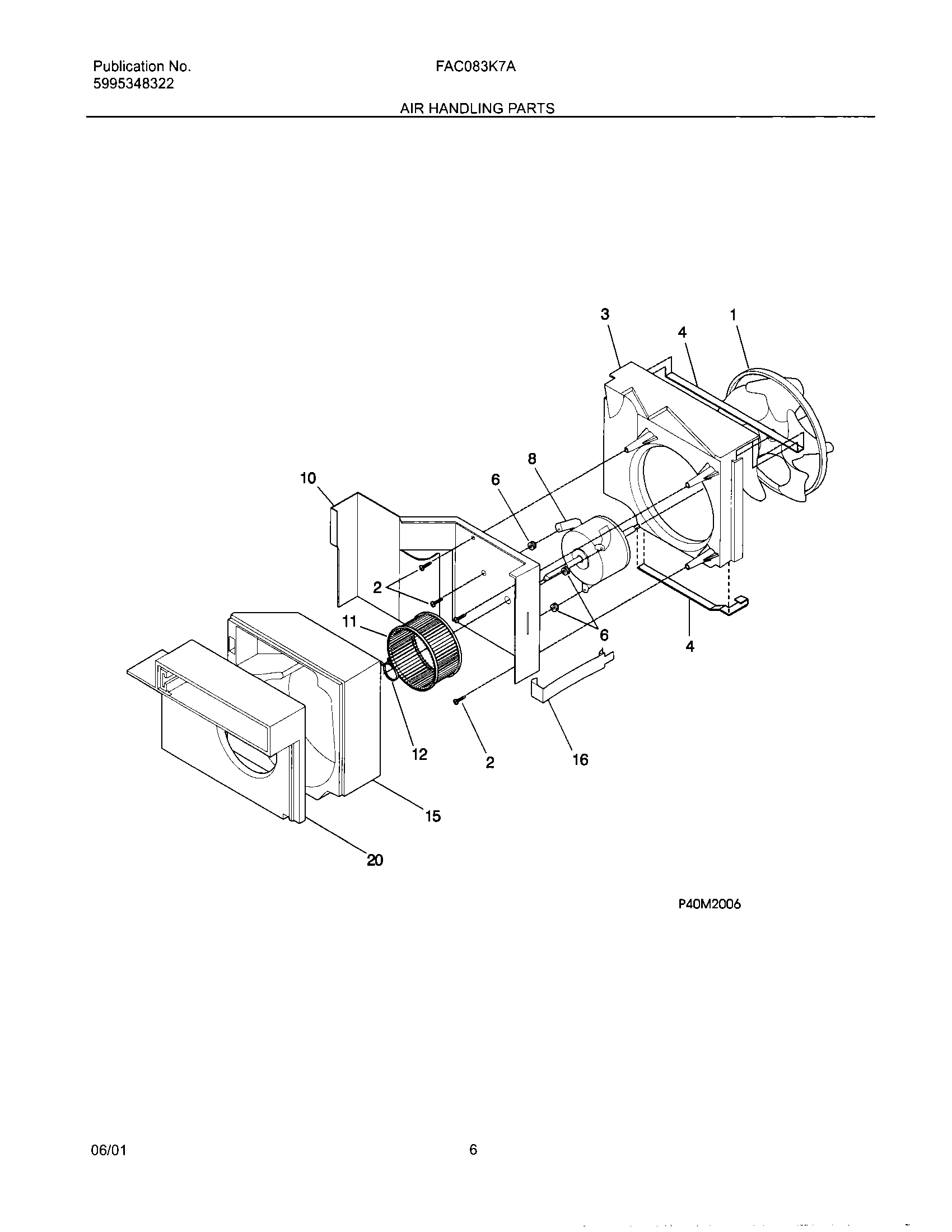
FAC083K7A1 07 – AIR HANDLERadmin2025-04-26T09:02:49+00:00FAC083K7A1 07 – AIR HANDLER ProductsPositionProduct1WCI 3096245022131202300 Frigidaire Screw2SCREW,INDT HEX HEAD ,10-16 ,(3)3WCI 3096242014SEAL-SHROUD BTM & TOP6WCI 53001054028WCI 30962730110WCI 30960240411WCI 30960330112WCI 530301211012WCI 30911210115WCI 530440765316WCI 30910020120PLATE-BLOWER HOUSING,SCROLL PLATE