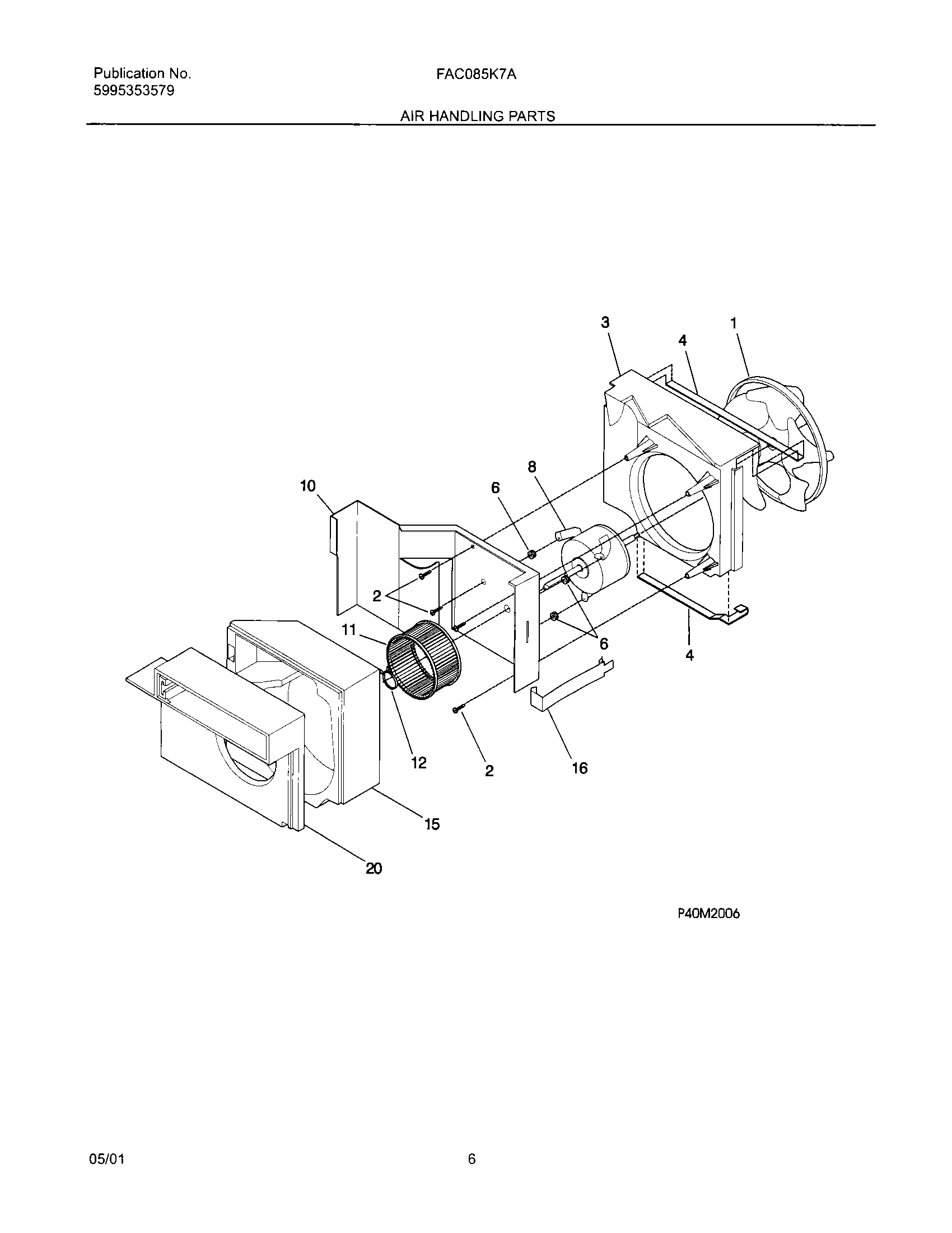
FAC085K7A2 07 – AIR HANDLINGadmin2025-04-26T09:01:22+00:00FAC085K7A2 07 – AIR HANDLING ProductsPositionProductNIWCI 53030121101WCI 3096245022131202300 Frigidaire Screw3WCI 3096242014SEAL-SHROUD BTM & TOP6WCI 53001054028WCI 30964240110WCI 30960240411WCI 30960330112WCI 30911210115WCI 530440765316WCI 30910020120PLATE-BLOWER HOUSING,SCROLL PLATE