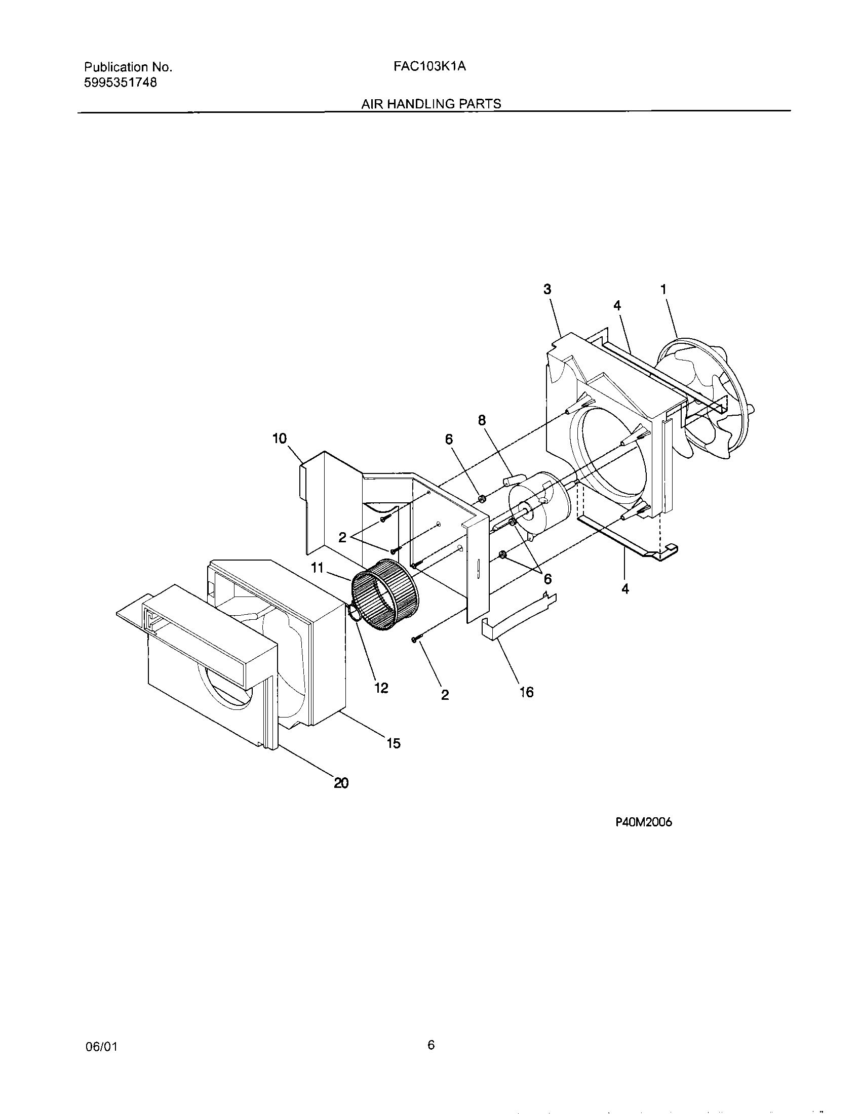
FAC103K1A1 07 – AIR HANDLERadmin2025-04-26T09:03:21+00:00FAC103K1A1 07 – AIR HANDLER ProductsPositionProductNIWCI 53030121101WCI 3096457022131202300 Frigidaire Screw2SCREW,INDT HEX HEAD ,10-16 ,(3)8WCI 30964240410WCI 30964370111Blower Wheel12WCI 30911210116WCI 30910020120Plate,scroll cover