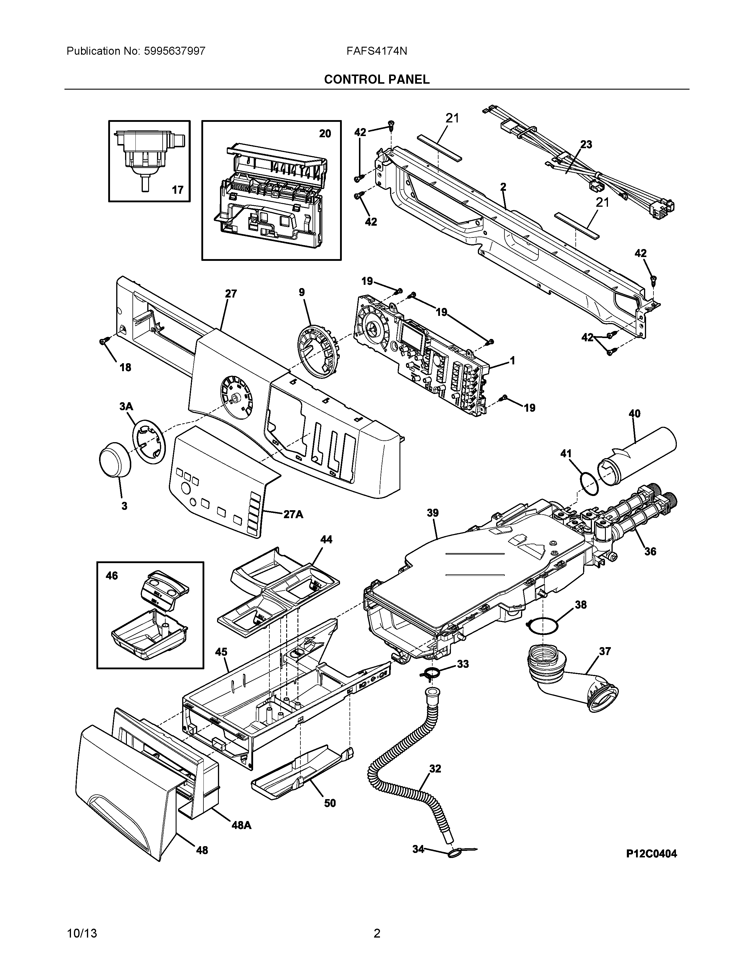
FAFS4174NA1 02 – CONTROL PANELadmin2025-04-26T09:04:12+00:00FAFS4174NA1 02 – CONTROL PANEL ProductsPositionProductNIA134178901 Frigidaire ScrewNIA134371300 DISPENSER TO VALVE GASKET1WCI 1372608702134887400 Frigidaire Bracket3AWCI 1372969003WCI 1372865009WCI 13728660017134762010 Frigidaire Washer Switch18131302800 Frigidaire Drum Vane Screw19134402900 Frigidaire Screw20WCI 13495910221134407900 Frigidaire Dampener23WCI 13728880027Panel,control console ,white ,decorated27APanel,display ,white ,decorated32HOSE, DISP-TO-BELLOWS33134737300 Frigidaire Clamp345304464772 Frigidaire Refrigerator Wire Tie36WATER VALVE W/O THERMISTER37134372300 Frigidaire Hose38134372400 Frigidaire Clamp39WCI 13496401040WCI 13437210041134372200 Frigidaire O-Ring42131168200 Frigidaire Dryer Screw44WCI 13463831045WCI 13463820046137143800 Frigidaire Cup48WCI 13751661048AWCI 13728600050WCI 134638400