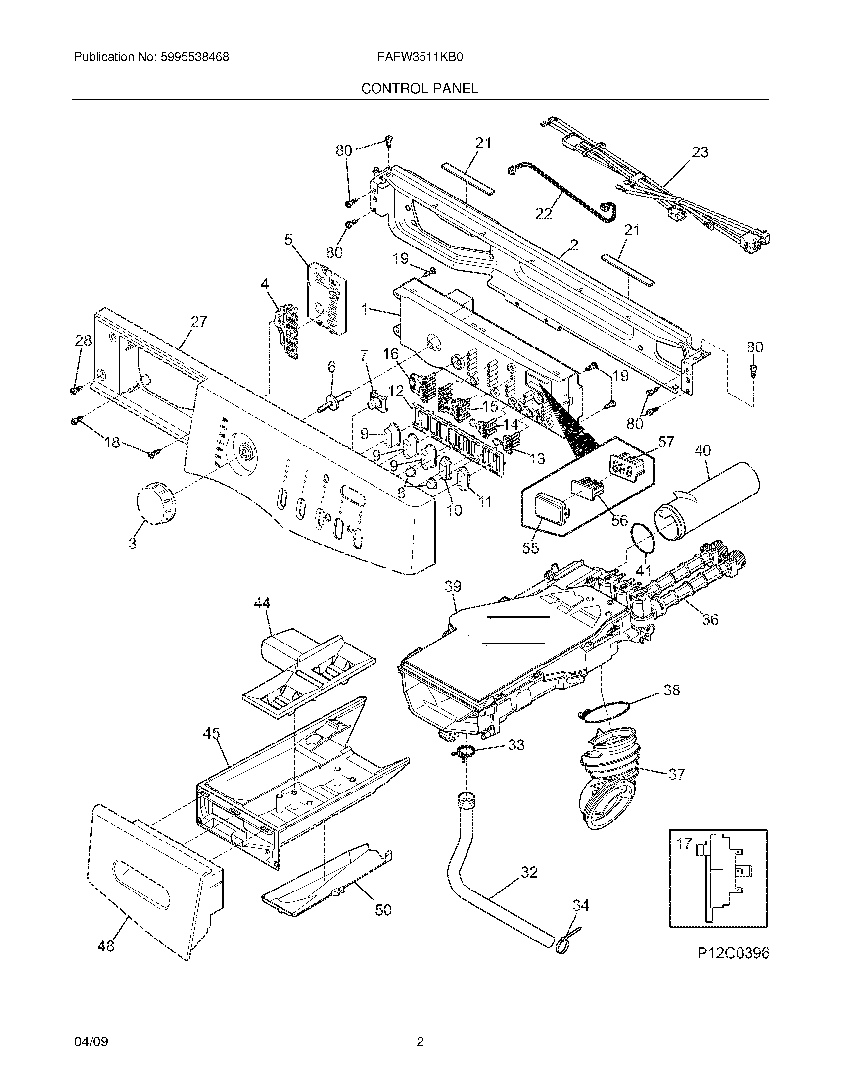
FAFW3511KB0 03 – CONTROL PANEL