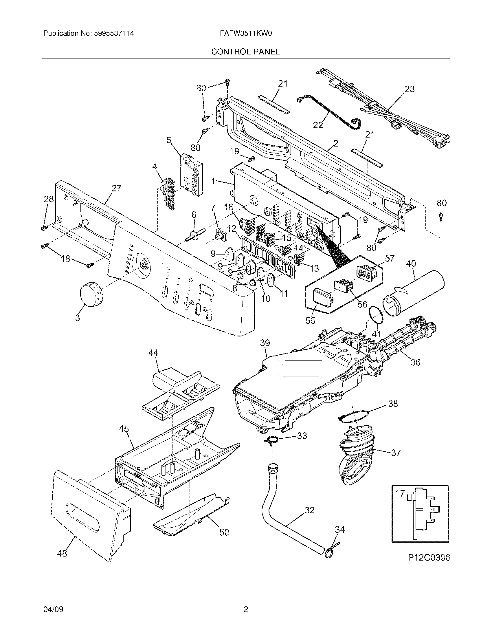
FAFW3511KW0 03 – CONTROL PANEL