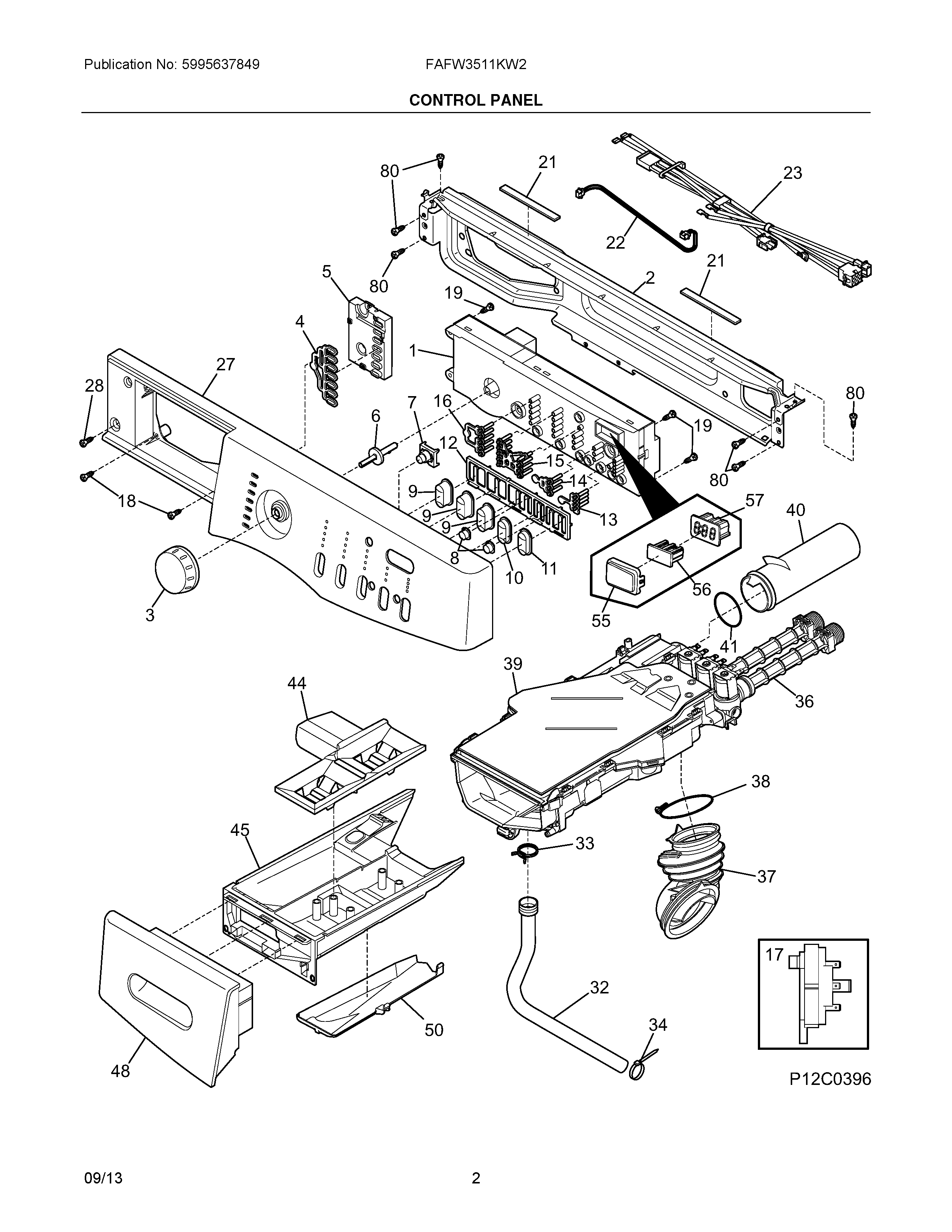
FAFW3511KW2 02 – CONTROL PANEL