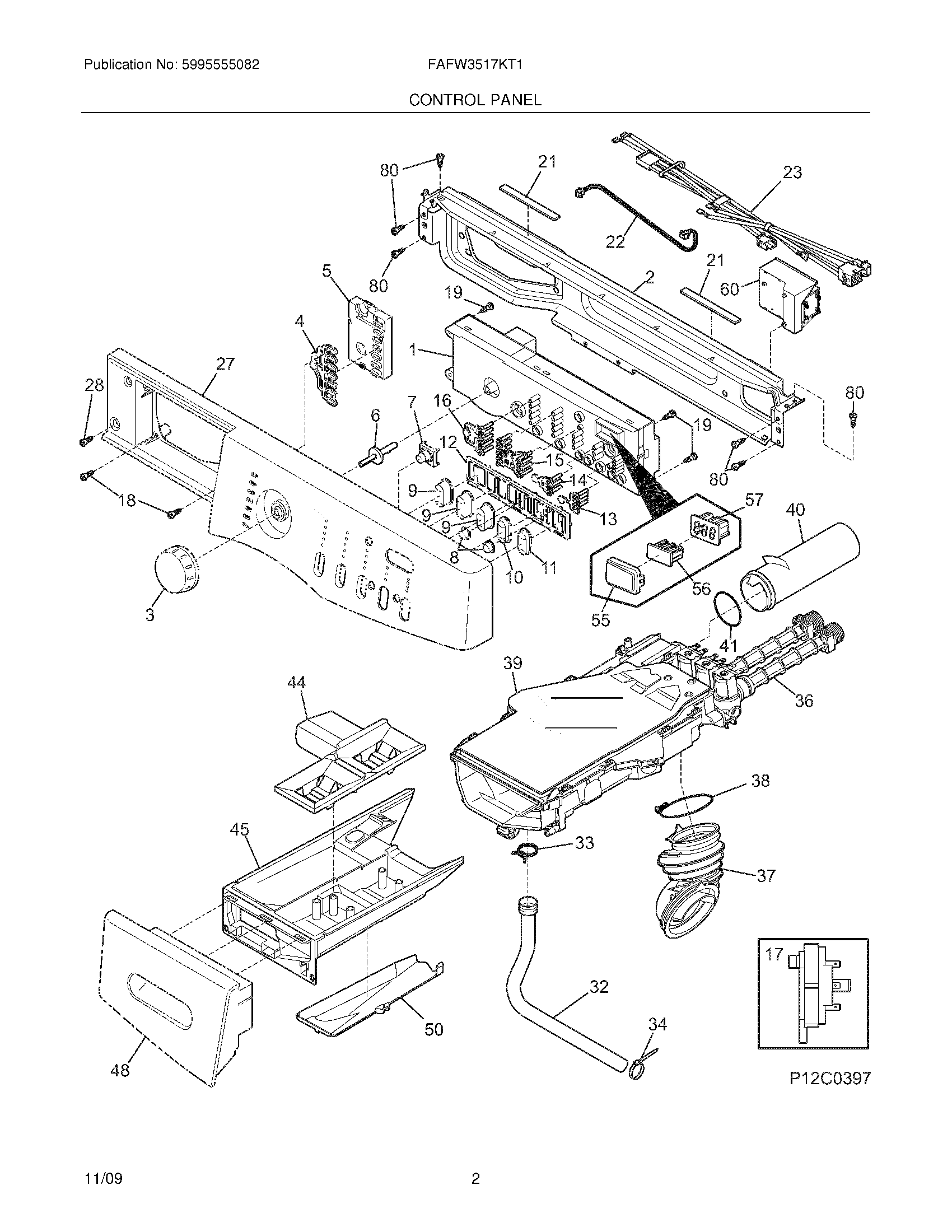
FAFW3517KT1 03 – CONTROL PANEL