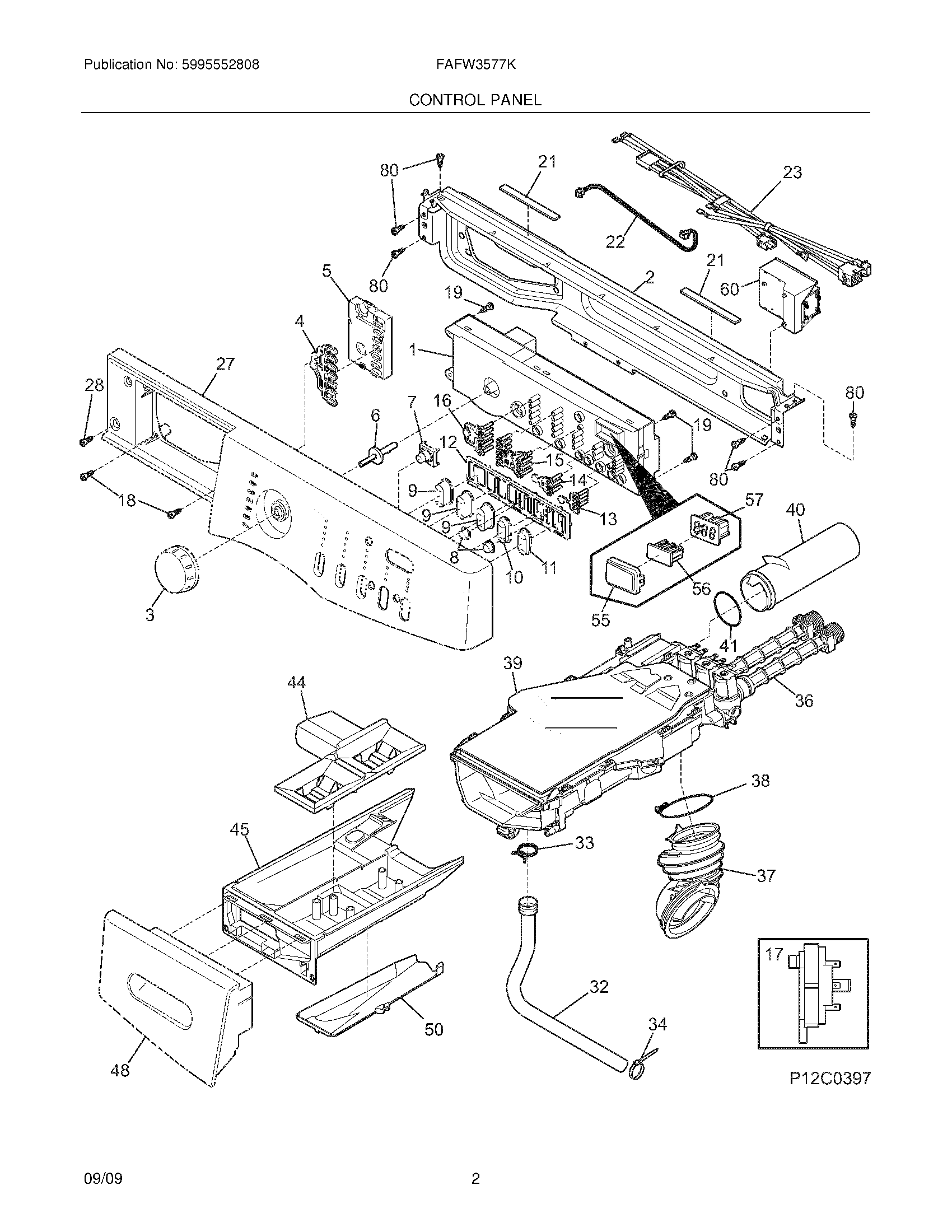
FAFW3577KR1 03 – CONTROL PANEL