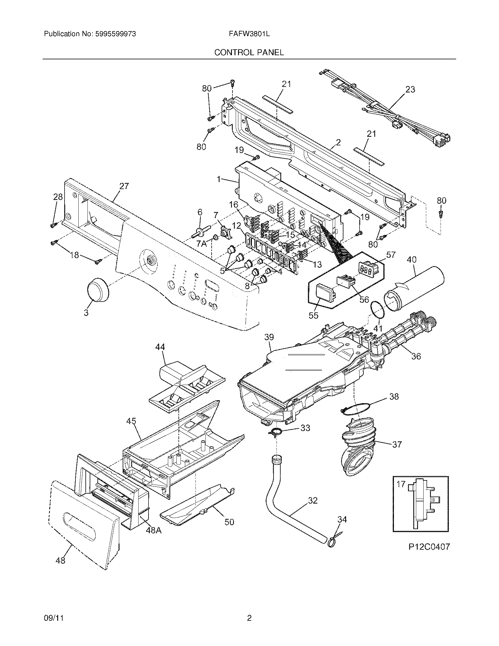
FAFW3801LB2 03 – CONTROL PANEL