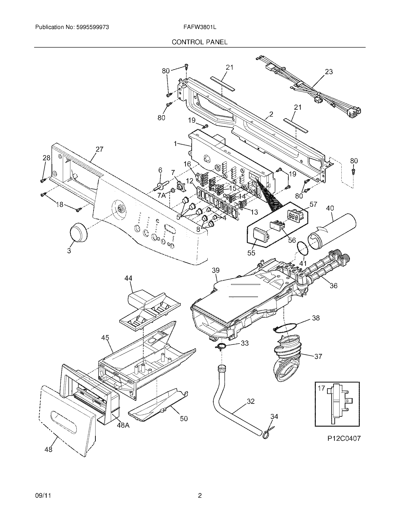
FAFW3801LW2 03 – CONTROL PANELadmin2025-04-26T09:03:06+00:00FAFW3801LW2 03 – CONTROL PANEL ProductsPositionProductNI134178901 Frigidaire ScrewNI134371300 DISPENSER TO VALVE GASKETNIWCI 1344366001137006005 Frigidaire Printed Circuit Control Board2134887400 Frigidaire Bracket3KNOB, CONTROL, WHITE4PUSH BUTTON, ROUND #15PUSH BUTTON, ROUND #36WCI 1343477007Push Button,round ,No.28PUSH BUTTON, ROUND #412WCI 13732050013WCI 13455750014WCI 13455740015WCI 13455280016WCI 13460000017134762000 Frigidaire Pressure Switch18131302800 Frigidaire Drum Vane Screw19134402900 Frigidaire Screw21134407900 Frigidaire Dampener23No.WCI 13721490027Panel,control console28131205300 Frigidaire Screw32WCI 13458650033134737300 Frigidaire Clamp345304464772 Frigidaire Refrigerator Wire Tie36134371220 Frigidaire Dispenser Fill Valve37134372300 Frigidaire Hose38134372400 Frigidaire Clamp40WCI 13437210041134372200 Frigidaire O-Ring44134370200 Frigidaire Washer Dispenser Drawer Cover45134370000 Frigidaire Washer Detergent Dispenser Drawer48WCI 13731441048A137314510 Frigidaire Drawer Handle Frame Dispenser50134409320 Frigidaire Dispenser Assembly55WCI 13732070056WCI 13455730057WCI 13450330080131168200 Frigidaire Dryer Screw