| NI | WCI 5303012110 |
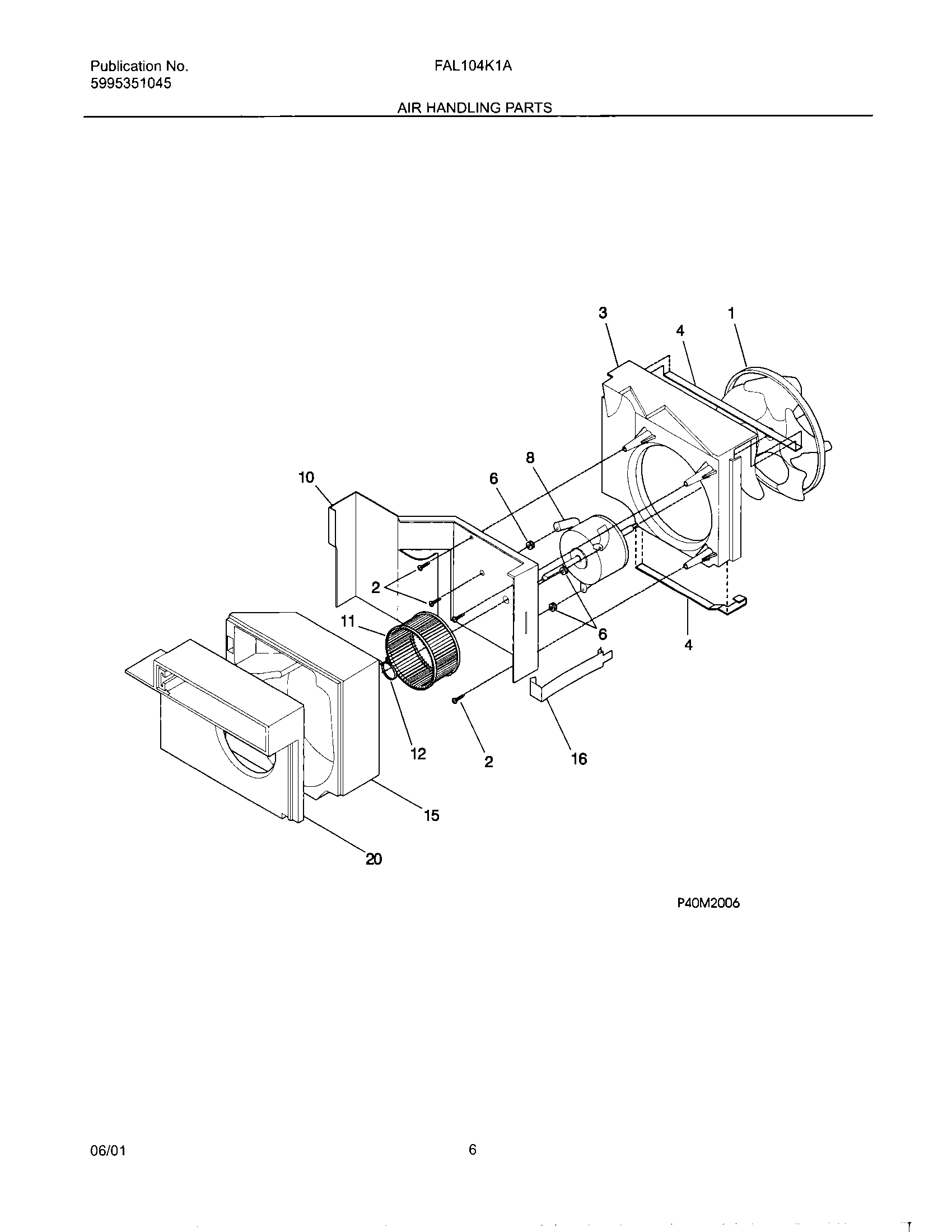
| 1 | WCI 5303320769 |
| 2 | 131202300 Frigidaire Screw |
| 3 | WCI 3202950 |
| 4 | SEAL-SHROUD COND |
| 5 | SEAL-CONDENSER BASE (NON-ILLUSTRATED) |
| 8 | WCI 309630602 |
| 10 | WCI 5303316617 |
| 11 | WCI 309608901 |
| 11 | WCI 309608902 |
| 12 | WCI 309112101 |
| 13 | WCI 309605902 |
| 15 | WCI 309605702 |
| 20 | WCI 309605802 |