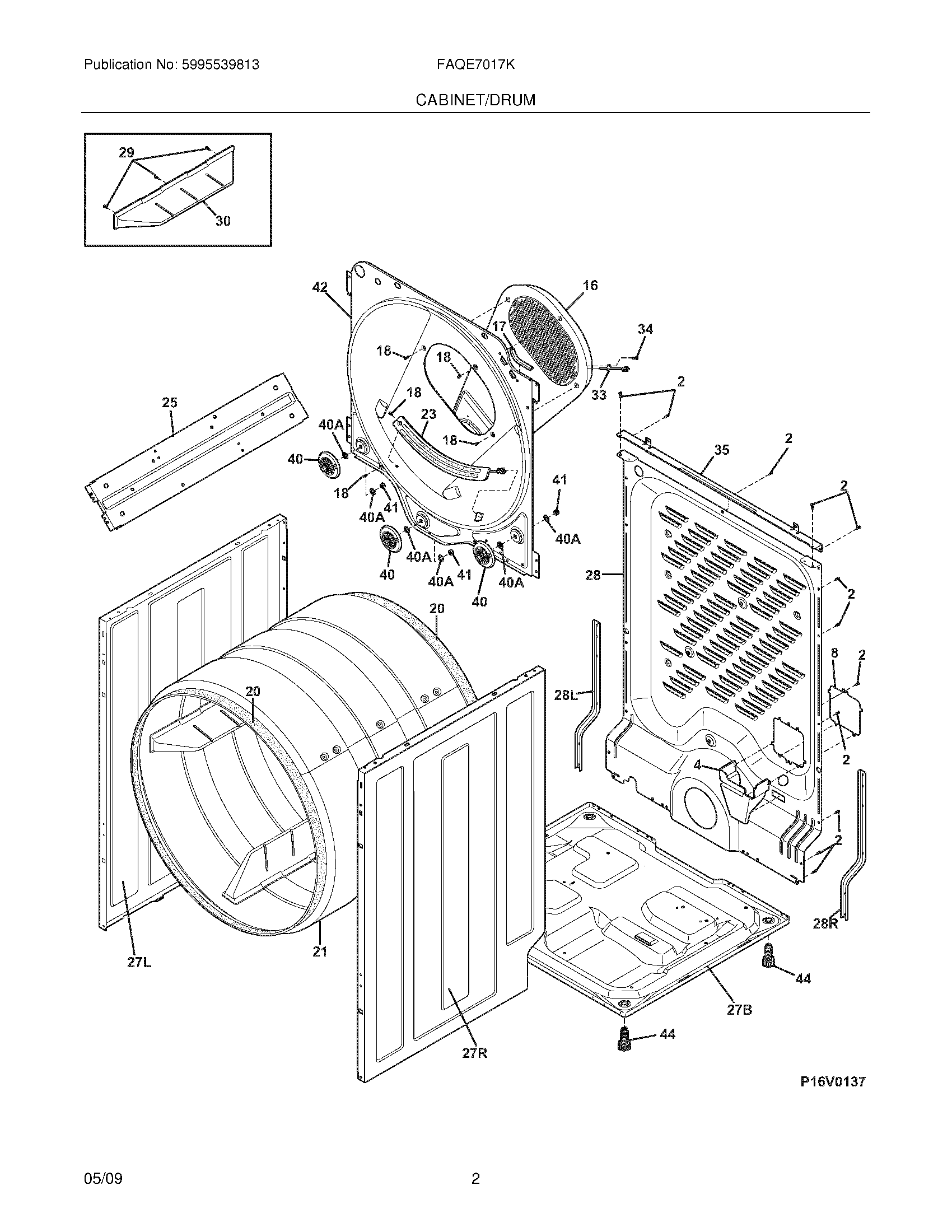
FAQE7017KW0 03 – CABINET/DRUM