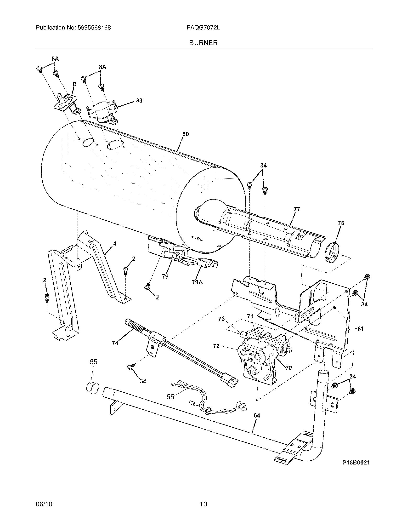
FAQG7072LR0 11 – BURNER