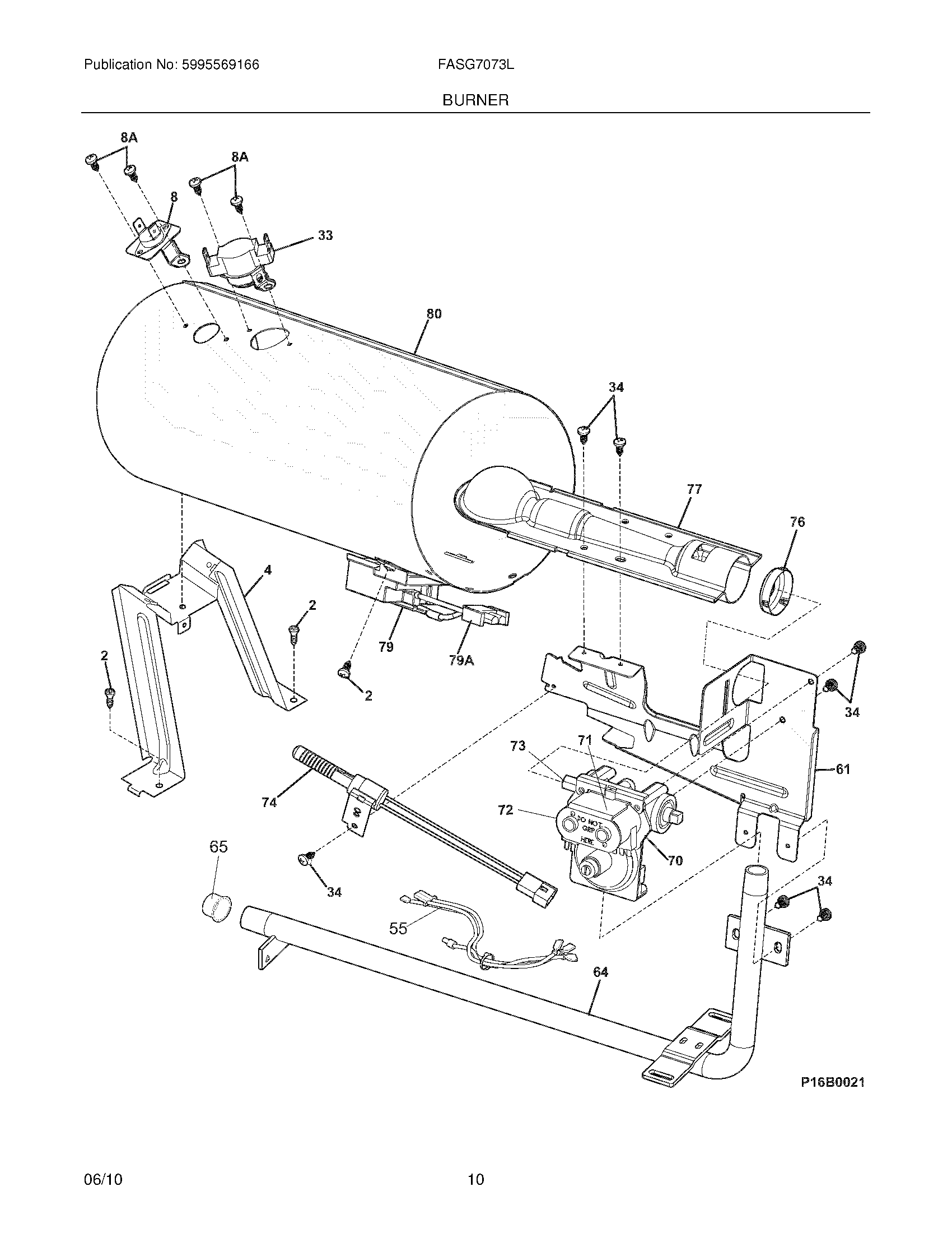
FASG7073LN0 11 – BURNER