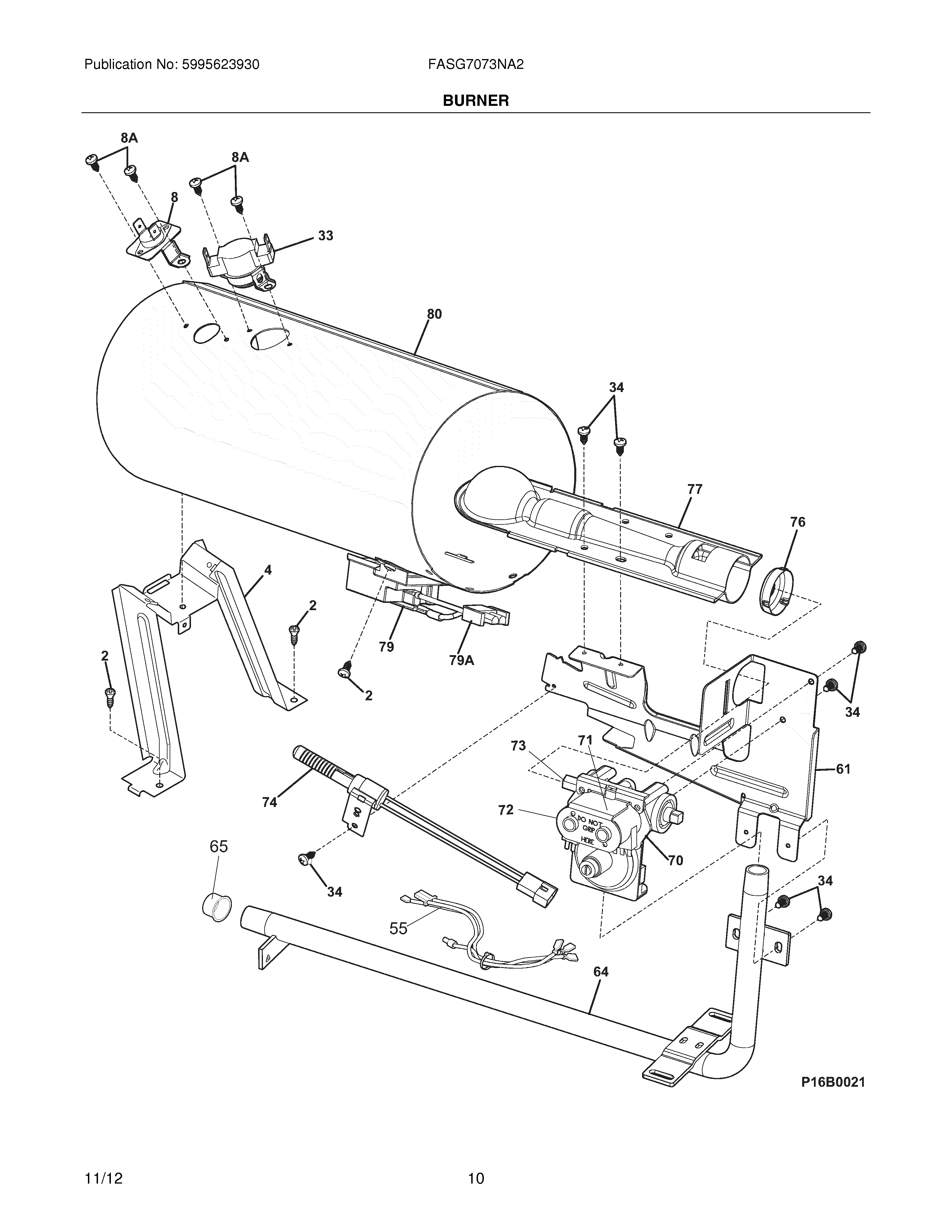
FASG7073NA2 11 – BURNER