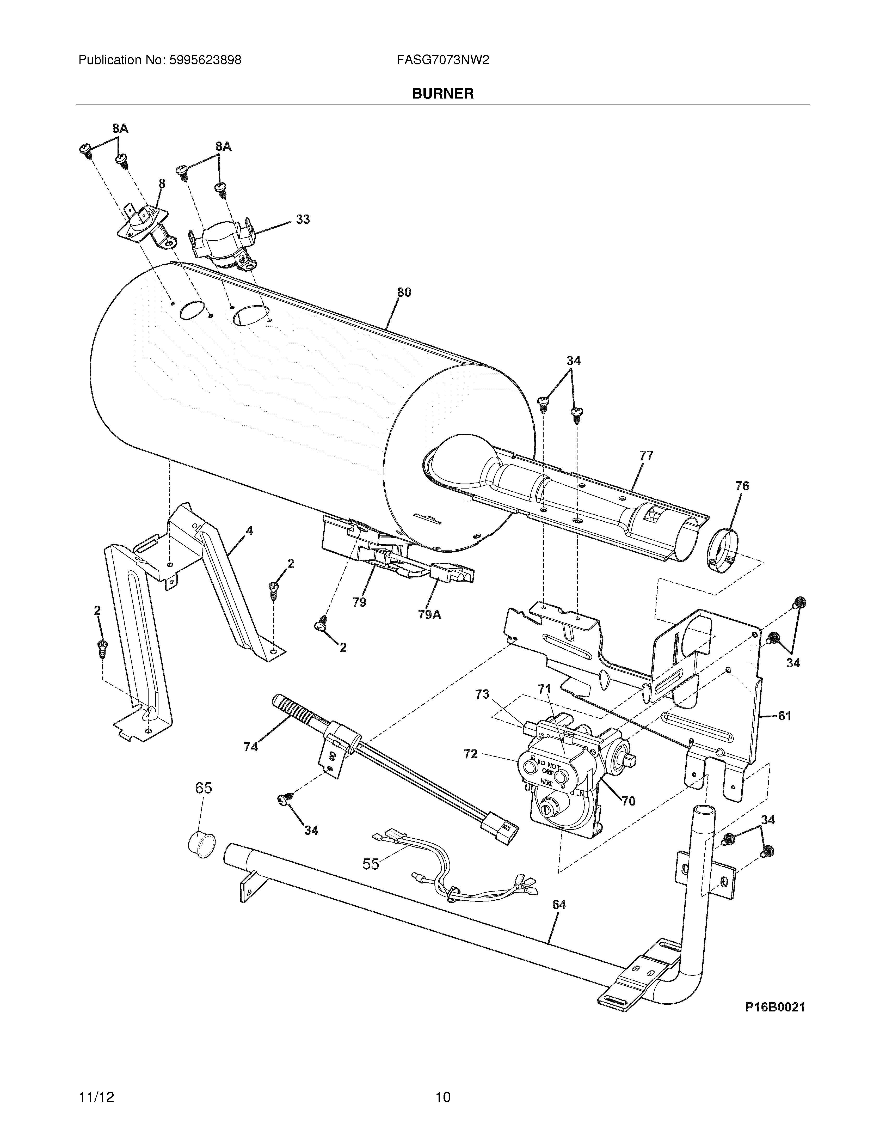
FASG7073NW2 11 – BURNER