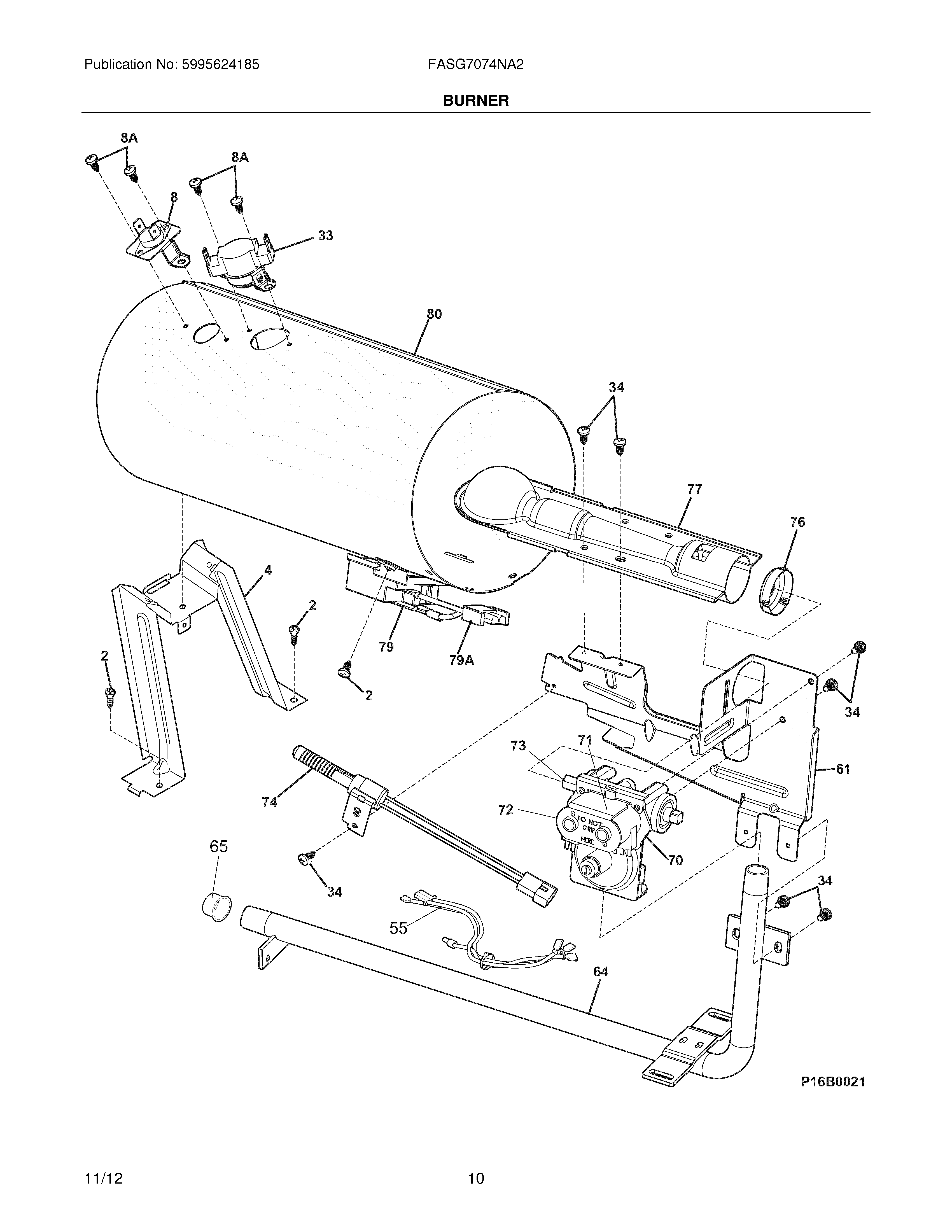
FASG7074NA2 11 – BURNER