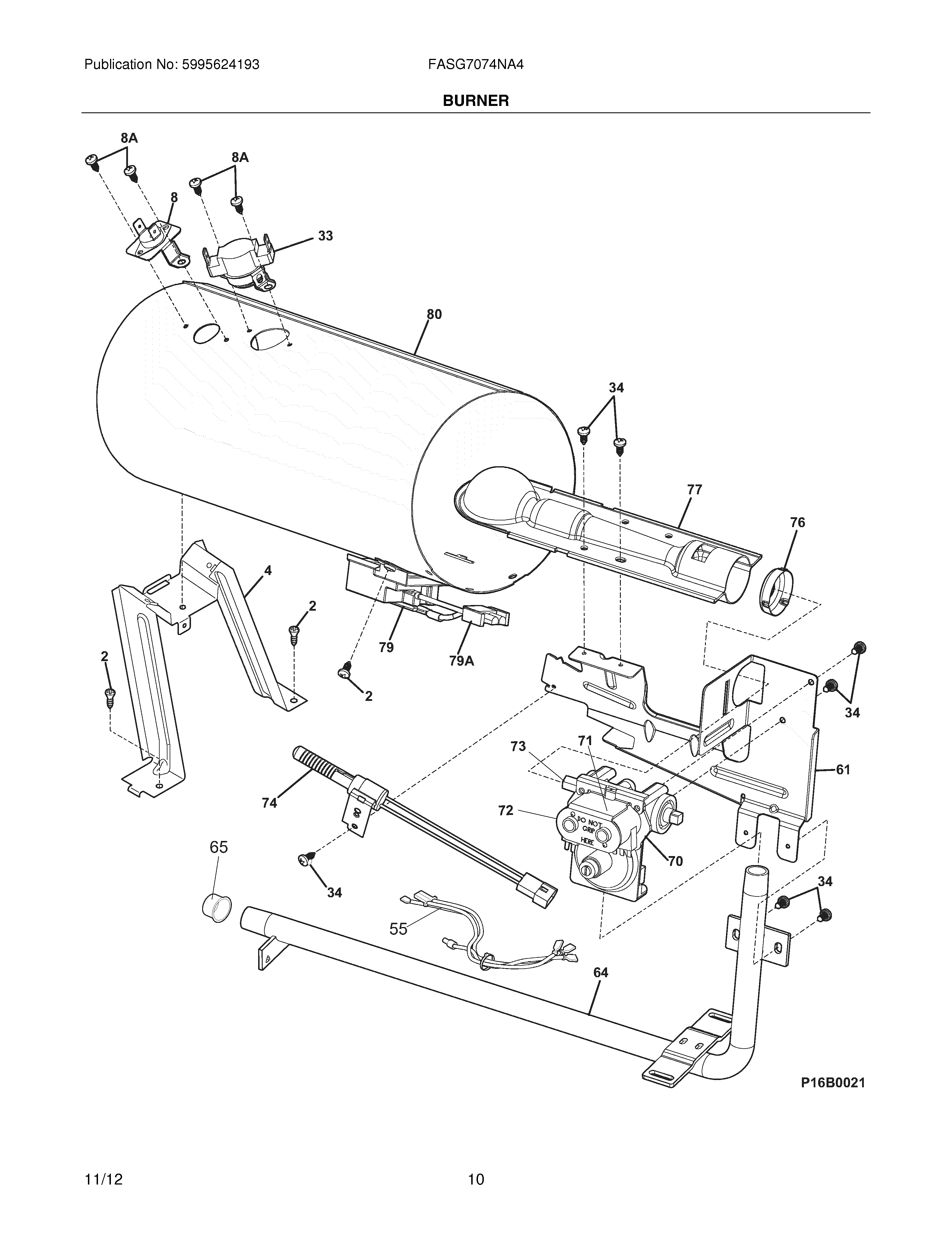
FASG7074NA4 11 – BURNER