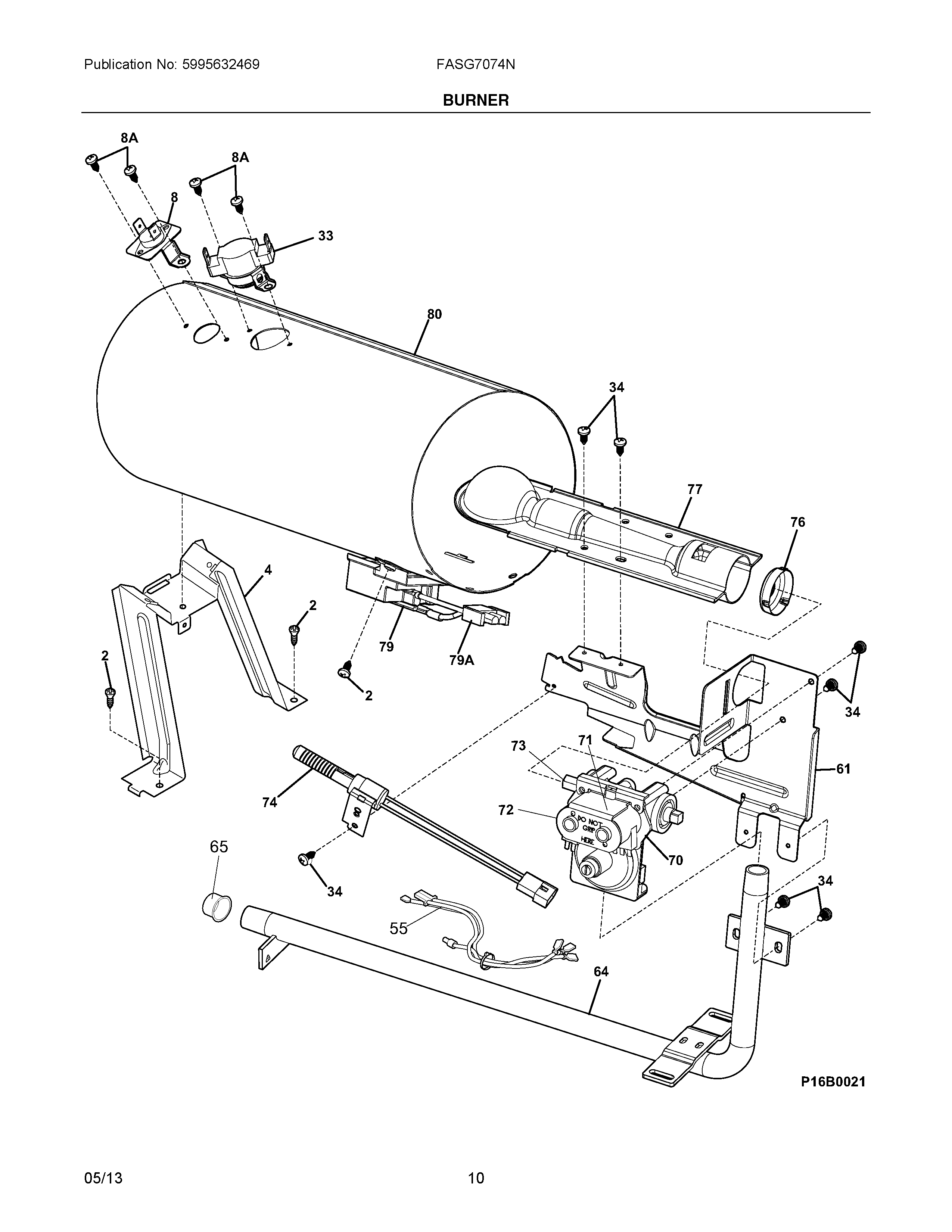
FASG7074NW3 06 – BURNER