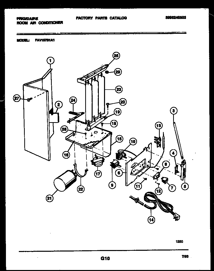
FAV157S1A1 04 – ELECTRICAL PARTSadmin2025-04-26T08:54:57+00:00FAV157S1A1 04 – ELECTRICAL PARTS ProductsPositionProduct*80152WCI 53030173451WCI 53032968681BWCI 53032018261AWCI 53032018252DOOR-VENT3WCI 53032018204WCI 53032018215WCI 53032092006PANEL-CONTROL7WCI 53032018348WCI 53032018359WCI 530320183610WCI 530320183811SCREW12WCI 530800295513CLIP-BULB14CORD-SERVICE15WCI 530330023216WCI 530320184217MOTOR-DRIVE18SCREW-MOTOR19RETAINER-LOUVER BTM.20SCREW-SCROLL/AIR BLKHD (NON-ILLUSTRATED)21CAPACITOR 10-40/37022WCI 320184523WCI 530329931823AWCI 530330023024WCI 530051713025WCI 530320184727134178901 Frigidaire Screw28WCI 530301610629WCI 3202810