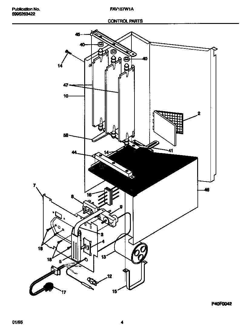
FAV157W1A1 03 – CONTROL PARTSadmin2025-04-26T08:54:32+00:00FAV157W1A1 03 – CONTROL PARTS ProductsPositionProduct2DOOR-VENT3WCI 53032018204WCI 53032018215WCI 53032092007PANEL-CONTROL8WCI 53032018369WCI 530320183810WCI 530329686812CLIP-BULB13CAPACITOR 10-40/37014134178901 Frigidaire Screw15WCI 320184516WCI 530301734517CORD-ELECTRIC POWER18SCREW38WCI 530301529440WCI 320281041WCI 530051713044RETAINER-LOUVER BTM.45WCI 530320184746WCI 530330023247WCI 530329931858WCI 5303300230