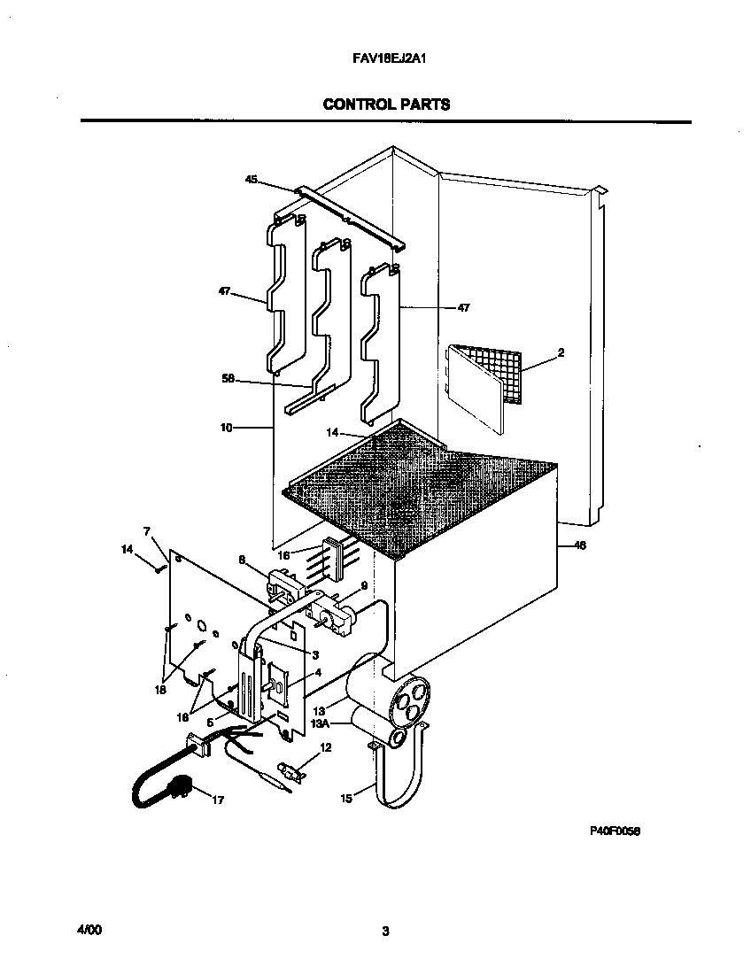
FAV18EJ2A1 03 – CONTROL PARTS