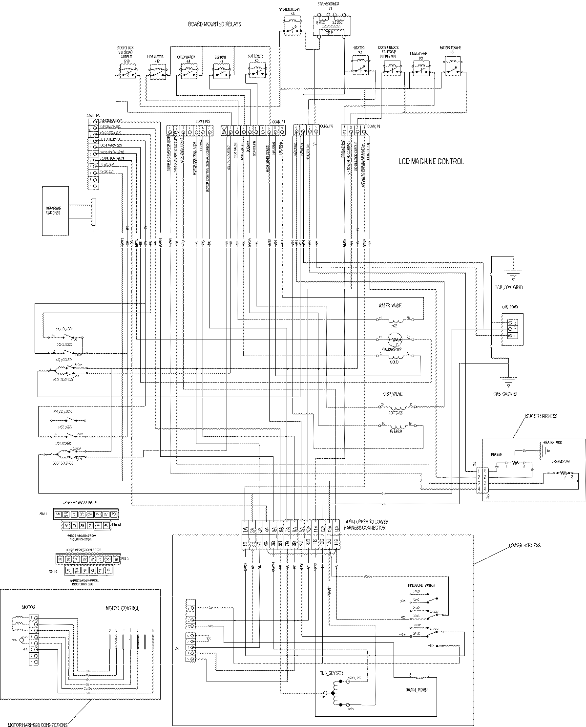
FAV9800AWQ 07 – WIRING HARNESSadmin2025-04-26T09:31:22+00:00FAV9800AWQ 07 – WIRING HARNESS ProductsPositionProductNIMAY 15003650