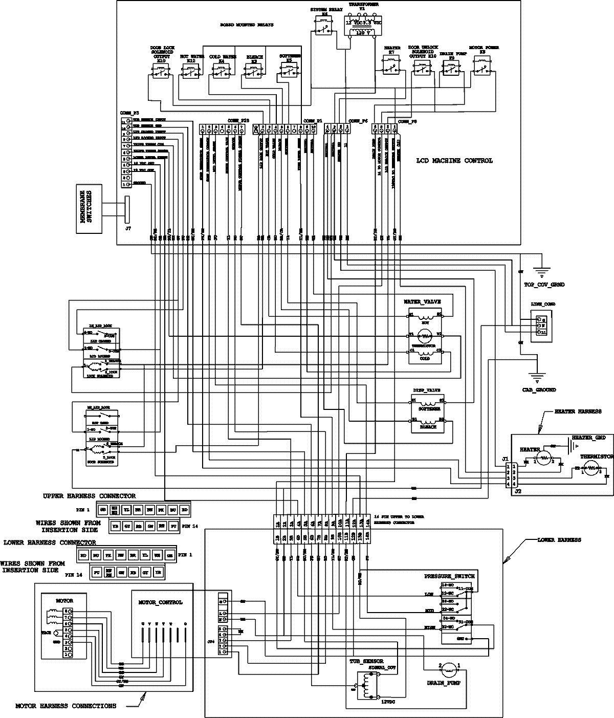
FAV9800AWQ 08 – WIRING INFORMATIONadmin2025-04-26T09:29:53+00:00FAV9800AWQ 08 – WIRING INFORMATION ProductsPositionProductNIMAY 15003433