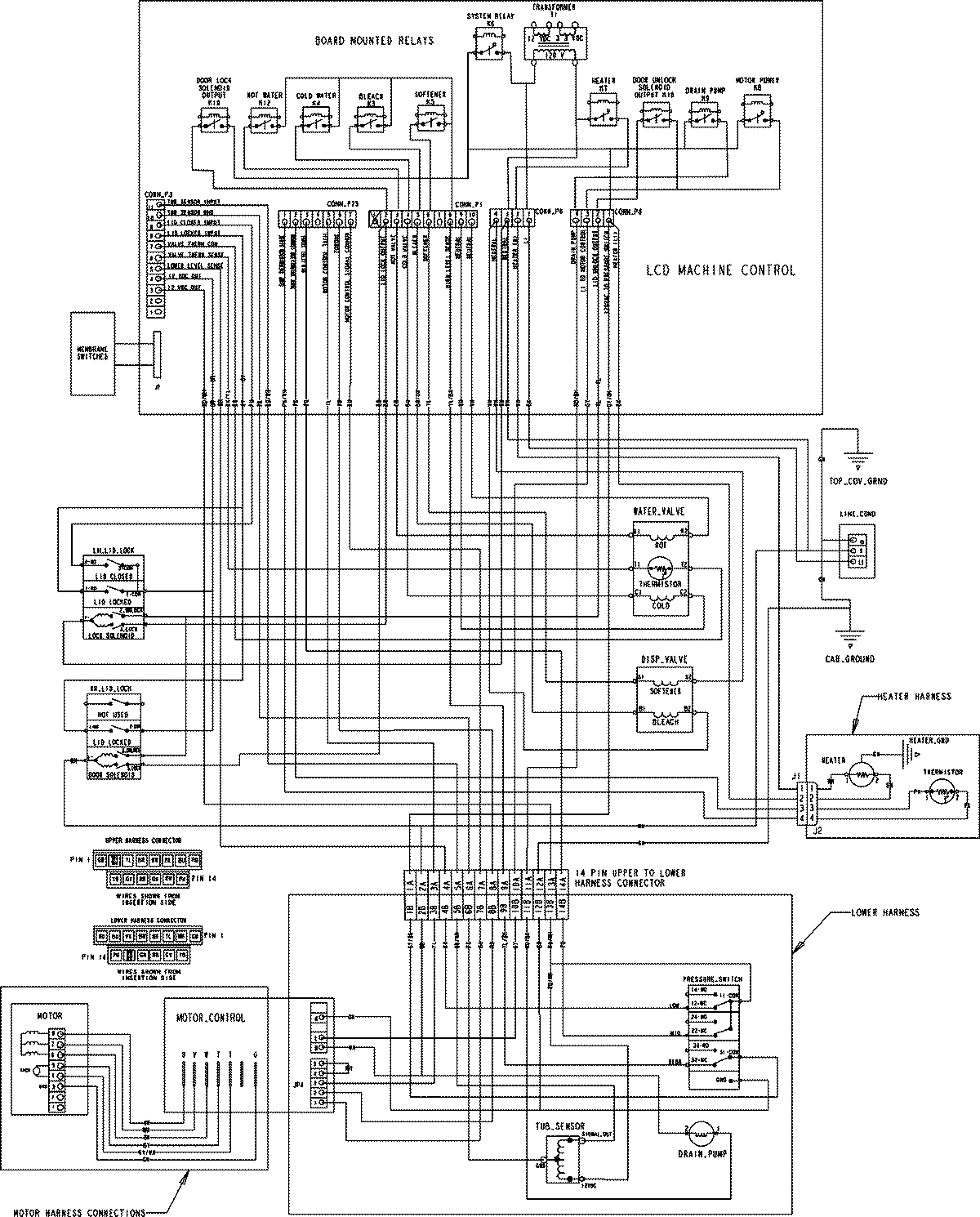
FAV9800AWW 09 – WIRING INFORMATIONadmin2025-04-26T09:30:23+00:00FAV9800AWW 09 – WIRING INFORMATION ProductsPositionProductNIMAY 15003643