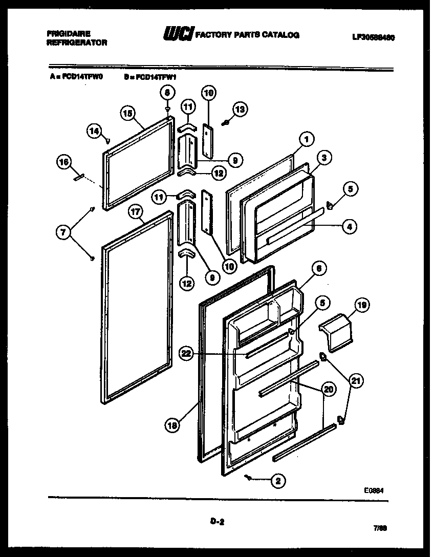
FCD14TFL1 02 – DOOR PARTSadmin2025-04-26T08:55:01+00:00FCD14TFL1 02 – DOOR PARTS ProductsPositionProduct1WCI 30013042SCREW-PANEL MOUNTING (56)3WCI 30184164WCI 301841755303323481 Frigidaire Refrigerator Left Hand Door Bar End Cap5A5303323480 Frigidaire Refrigerator Door Bar End Cap Rh6WCI 30184187PLUG-HANDLE, ALMOND8PLUG-HINGE, ALMOND9HANDLE ASSEMBLY WITH CAP & TRIM (2)10TRIM-HANDLE (2)11END CAP-TOP (2)12END CAP-BOTTOM (2)13SCREW-HANDLE MOUNTING (4)14HINGE BEARING (8)15WCI 391614016WCI 301838517WCI 391614518WCI 300131719WCI 320073020215516220 Frigidaire Refrigerator Door Rack21WCI 301842121AWCI 301842222RACK-REFR DOOR