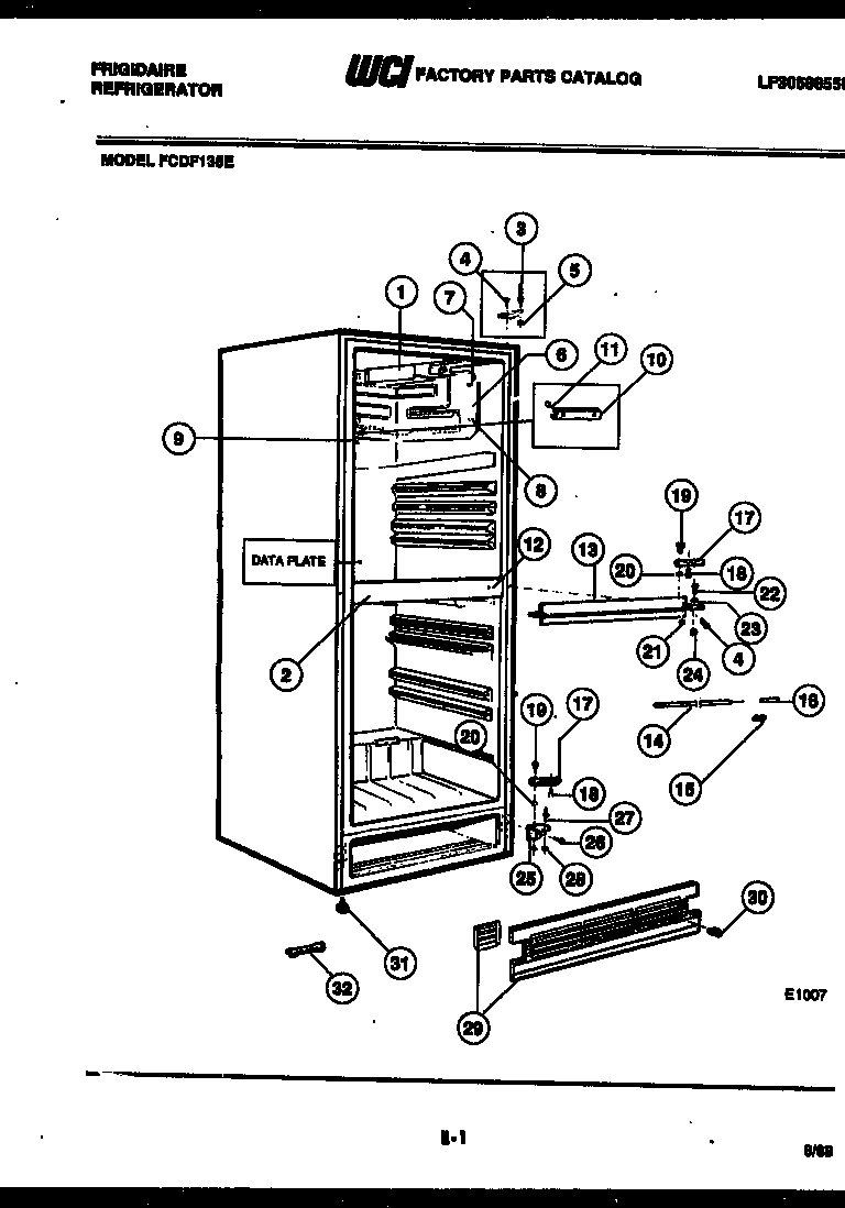
FCDF135E 03 – CABINET PARTS