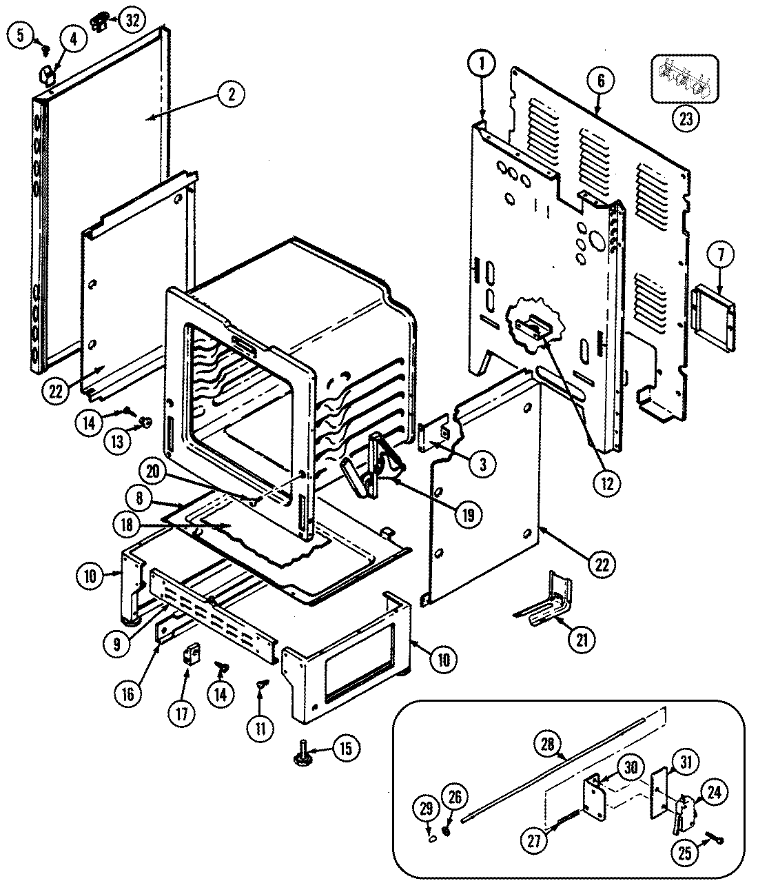
FCE2012B 01 – BODYadmin2025-04-26T09:30:53+00:00FCE2012B 01 – BODY ProductsPositionProduct1MAY 4002F189-802MAY 2618F110-702MAY 7003P067-603SUPPORT,OVEN REAR4SPACER, MAIN TOP (LT)4SPACER, MAIN TOP (RT)5MAY 7118P013-606MAY 4005F348-517MAY 4005F427-518MAY 3804F112-519MAY 4020F001-8010MAY 4020W017-8011MAY 7101P290-6012MAY 3605F174-5113MAY 8004P024-6014MAY 7101P334-6015MAY 7101P306-6016MAY 3406F028-5117MAY 8004P033-6018MAY 8312P058-6019MAY 7106P049-6020SCREW, HINGE21MAY 7101P289-6021MAY 3801F218-5122MAY 3804F103-5123WPW10245259 Whirlpool Terminal Block24MAY 7403P357-6025MAY 7101P330-6026MAY 7109P020-6027MAY 7803P067-6028MAY 7400163028MAY 7809P022-6029MAY 8003P012-6029MAY 7400163130BRACKET, SWITCH ACTUATOR30MAY 3801F354-5131MAY 7400162631MAY 7003P062-6032MAY 8007P023-60