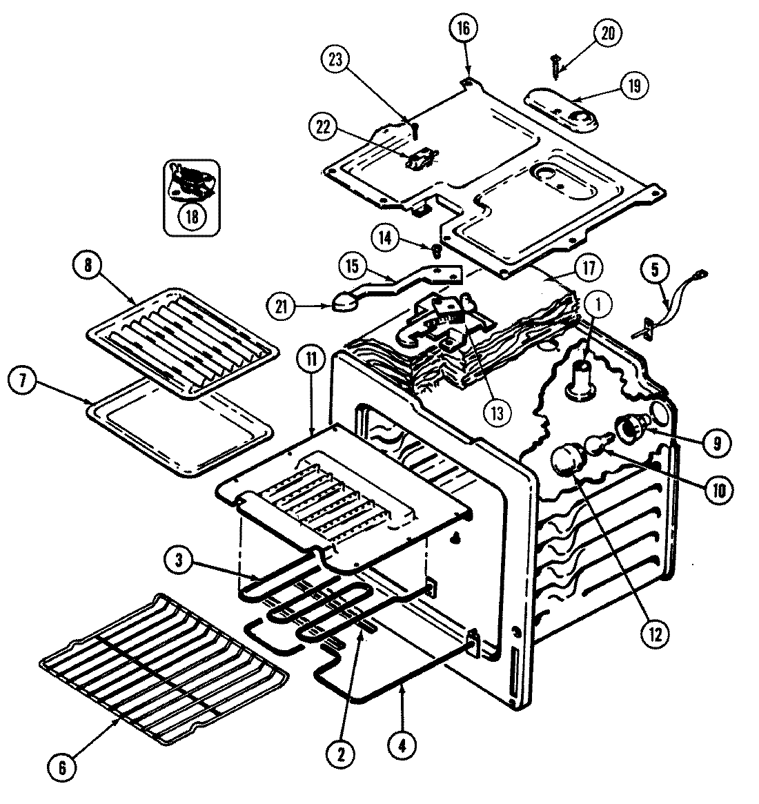
FCE2012W 04 – OVEN