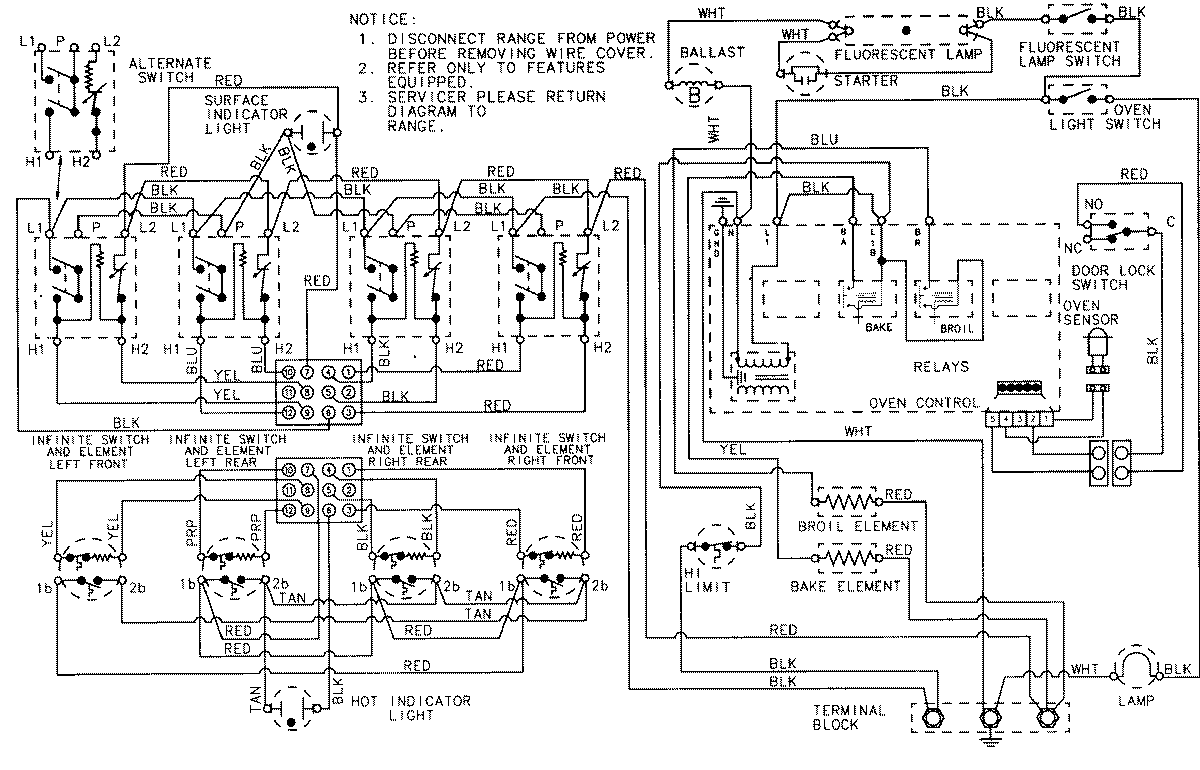
FCE30500B 06 – WIRING INFORMATIONadmin2025-04-26T09:28:56+00:00FCE30500B 06 – WIRING INFORMATION ProductsPositionProductNIMAY 15001552