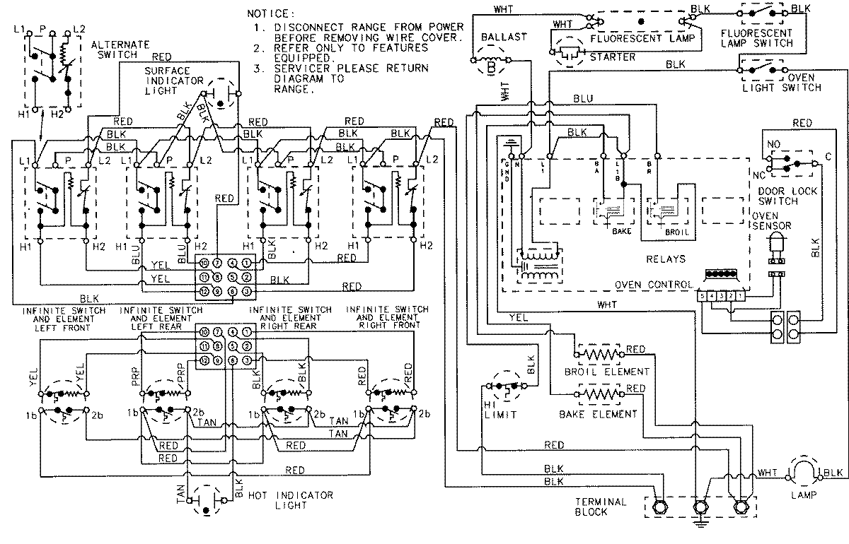
FCE30500W 06 – WIRING INFORMATIONadmin2025-04-26T09:31:28+00:00FCE30500W 06 – WIRING INFORMATION ProductsPositionProductNIMAY 15001552