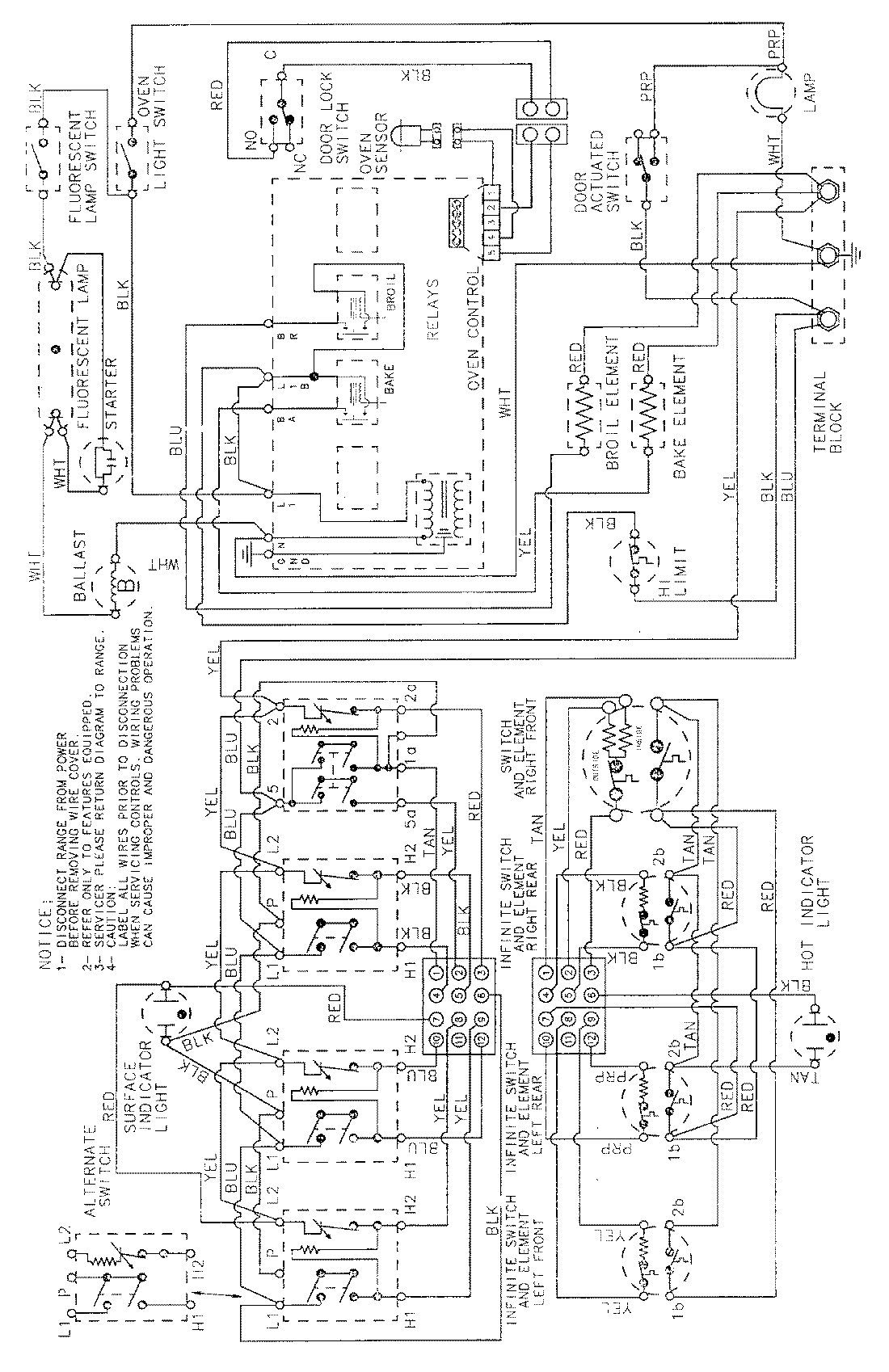
FCE30510A 06 – WIRING INFORMATIONadmin2025-04-26T09:31:34+00:00FCE30510A 06 – WIRING INFORMATION ProductsPositionProductNIMAY 15001553