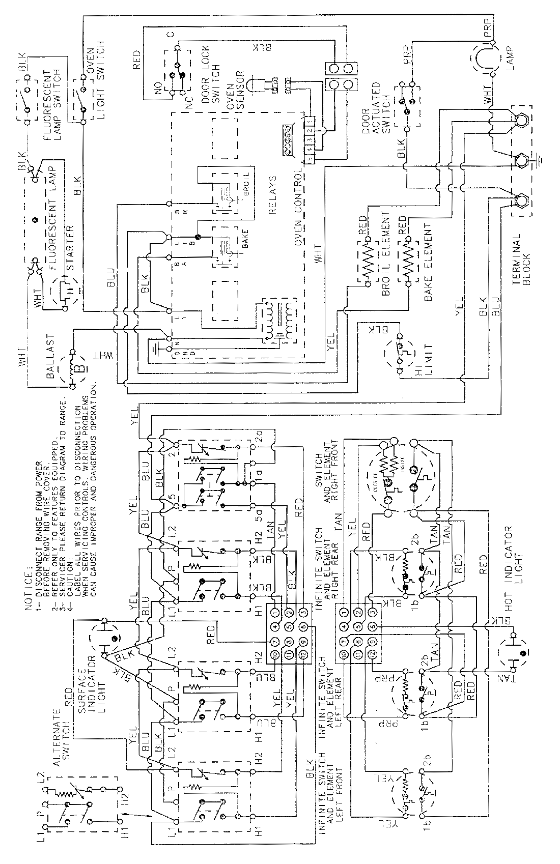
FCE30510B 06 – WIRING INFORMATIONadmin2025-04-26T09:29:31+00:00FCE30510B 06 – WIRING INFORMATION ProductsPositionProductNIMAY 15001553