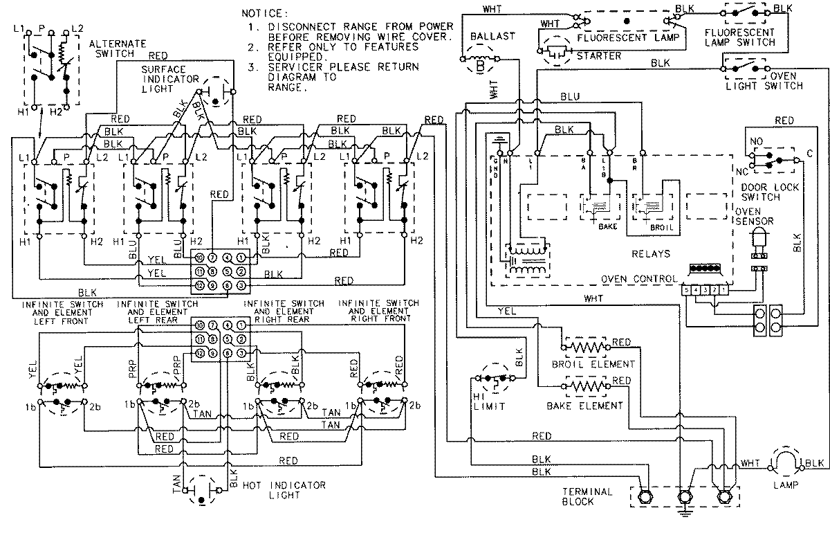
FCE30610B 06 – WIRING INFORMATIONadmin2025-04-26T09:29:27+00:00FCE30610B 06 – WIRING INFORMATION ProductsPositionProductNIMAY 15001556