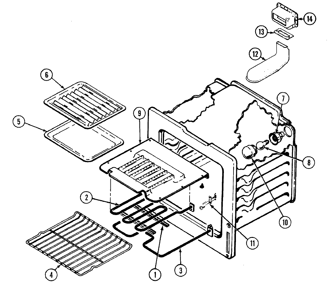
FCE4040B 04 – OVEN