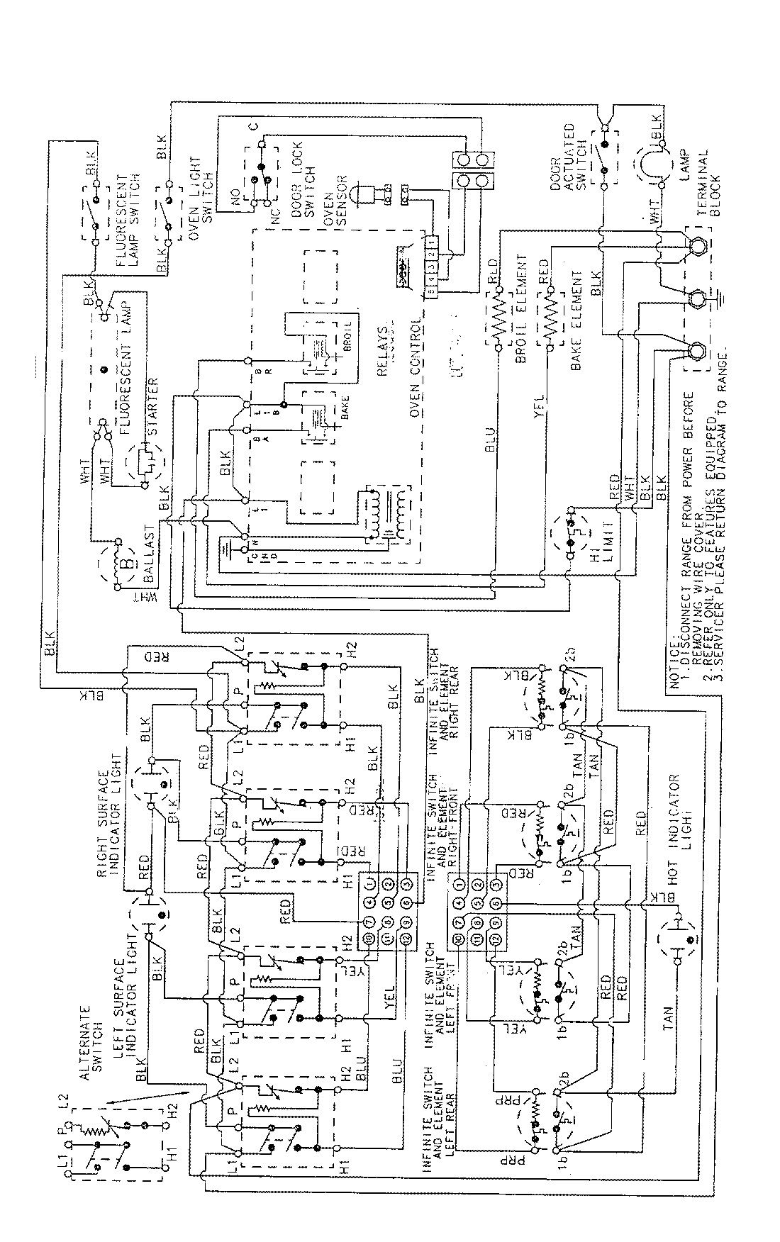
FCE4041B 06 – WIRING INFORMATION

FCE4041B 06 – WIRING INFORMATION

Products

PositionProduct
NIMAY 15001130