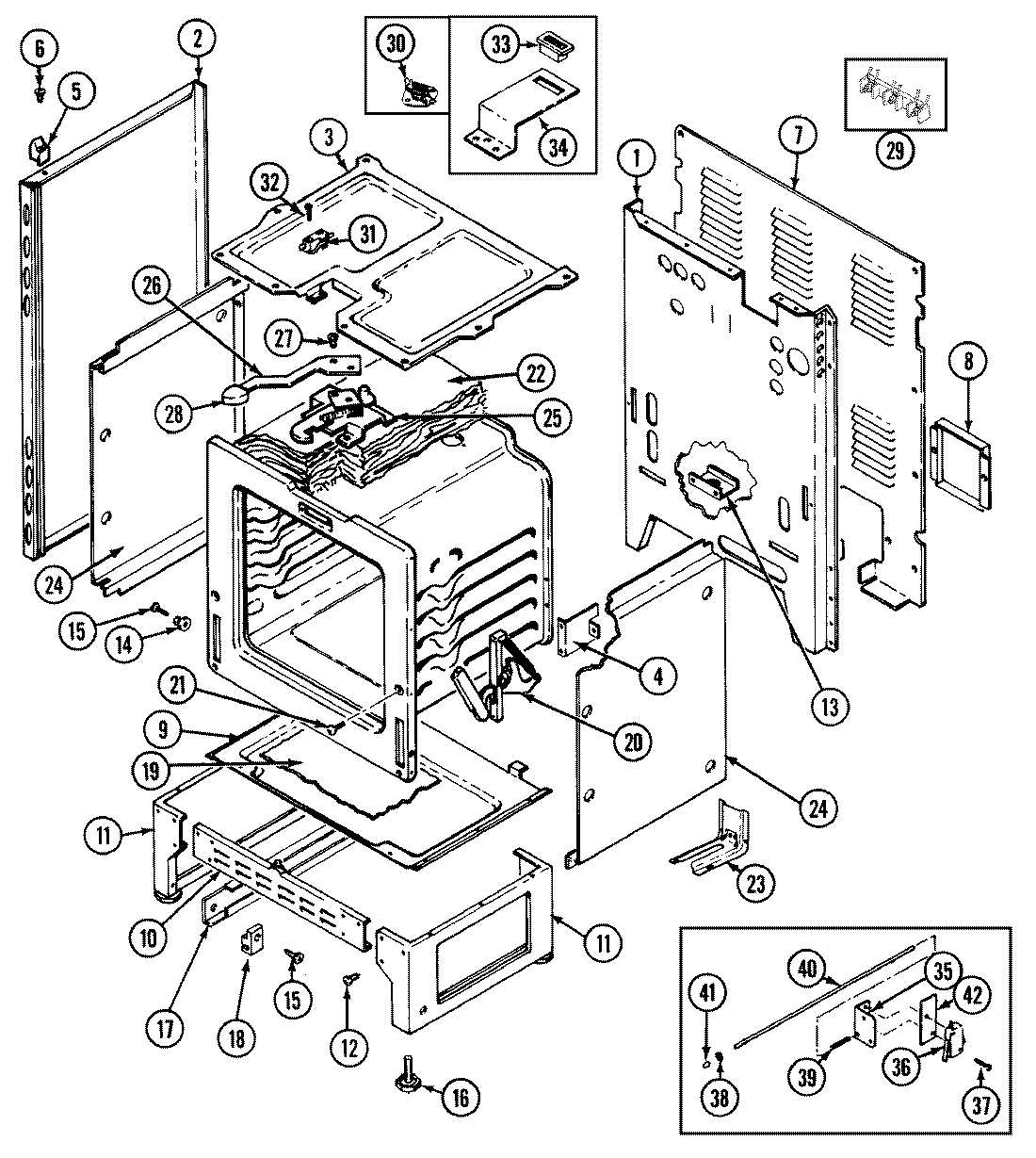
FCE4041W 01 – BODYadmin2025-04-26T09:28:30+00:00FCE4041W 01 – BODY ProductsPositionProduct1MAY 4002F189-802MAY 2618F099-712MAY 7003P067-603MAY 4011F207-194SUPPORT,OVEN REAR5SPACER, MAIN TOP (LT)5SPACER, MAIN TOP (RT)6MAY 7118P013-607MAY 4005F348-518MAY 4005F427-519MAY 3804F112-5110MAY 4020F001-8011MAY 4020W013-8012MAY 7101P290-6013MAY 3605F174-5114MAY 8004P024-6015MAY 7101P300-6016MAY 7101P306-6017MAY 3406F028-5118MAY 8004P033-6019MAY 8312P058-6020MAY 7106P056-6021WP4159193 Whirlpool Screw22MAY 4804F036-6022MAY 4804F030-6023MAY 7101P289-6023MAY 3801F218-5124MAY 3804F103-5125MAY 4804F034-6025MAY 7101P280-6025MAY 8002P025-6026MAY 8009P024-6027MAY 7109P015-6027SCREW, LEVER28MAY 7112P003-6028MAY 7701P133-6029MAY 7401P041-6030MAY 7403P160-6031MAY 7403P228-6032MAY 7101P130-6033MAY 7407P097-6034MAY 3801F302-4535MAY 3801F354-5136MAY 7403P357-6037MAY 7101P330-6038MAY 7109P020-6039MAY 7803P067-6040MAY 7809P022-6041MAY 8003P012-6042MAY 7003P062-6043MAY 5195D082-6043MAY 5175D052-6044MAY 5170P206-60