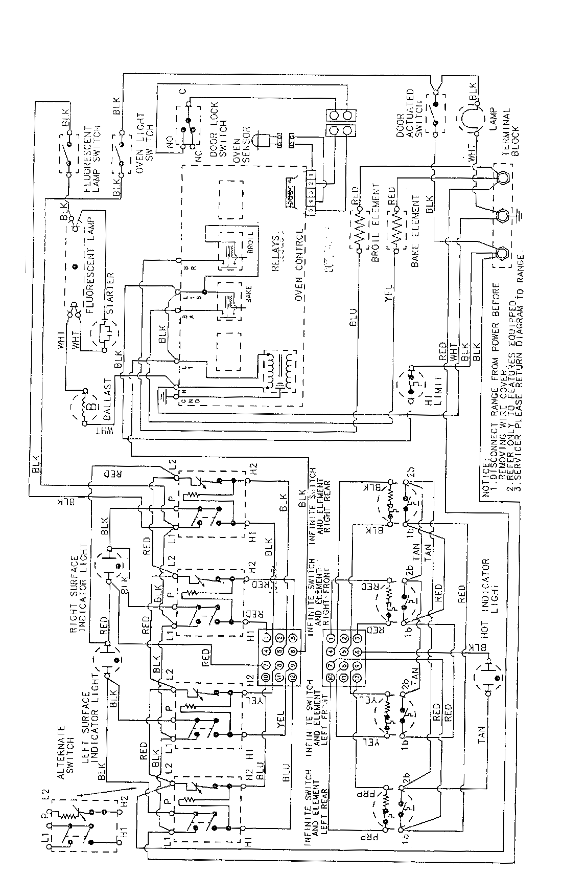
FCE4041W 05 – WIRING INFORMATION

FCE4041W 05 – WIRING INFORMATION

Products

PositionProduct
NIMAY 15001130