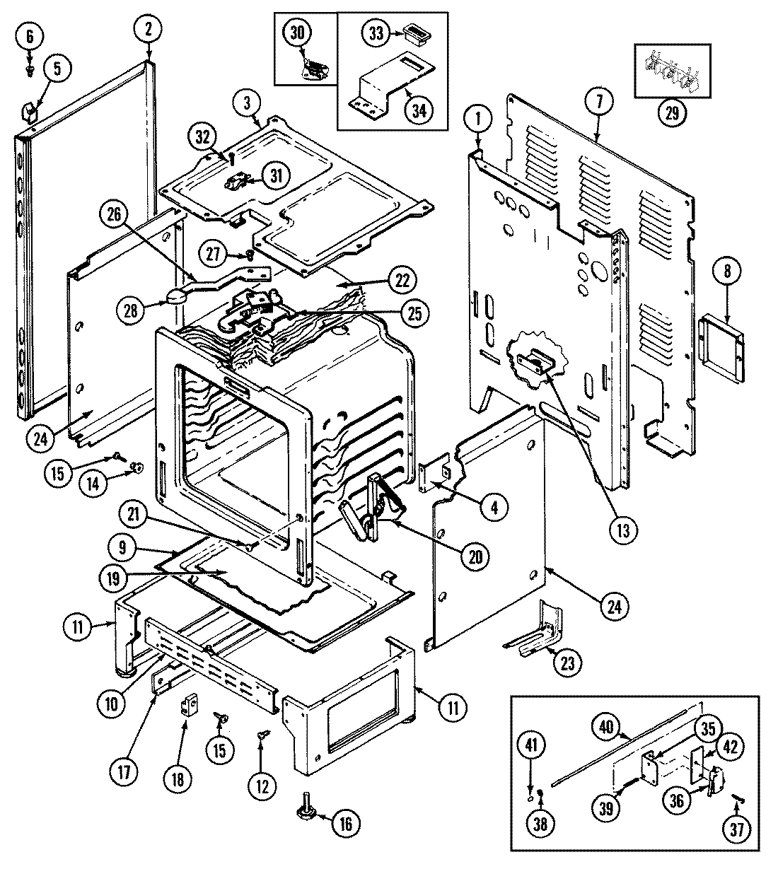
| 1 | MAY 4002F189-80 |
| 2 | MAY 2618F099-70 |
| 2 | MAY 7003P067-60 |
| 3 | MAY 4011F207-19 |
| 4 | SUPPORT,OVEN REAR |
| 5 | SPACER, MAIN TOP (LT) |
| 5 | SPACER, MAIN TOP (RT) |
| 6 | MAY 7118P013-60 |
| 7 | MAY 4005F348-51 |
| 8 | MAY 4005F427-51 |
| 9 | MAY 3804F112-51 |
| 10 | MAY 4020F001-80 |
| 11 | MAY 4020W013-80 |
| 12 | MAY 7101P290-60 |
| 13 | MAY 3605F174-51 |
| 14 | MAY 8004P024-60 |
| 15 | MAY 7101P300-60 |
| 16 | MAY 7101P306-60 |
| 17 | MAY 3406F028-51 |
| 18 | MAY 8004P033-60 |
| 19 | MAY 8312P058-60 |
| 20 | MAY 7106P056-60 |
| 21 | WP4159193 Whirlpool Screw |
| 22 | MAY 4804F036-60 |
| 22 | MAY 4804F030-60 |
| 23 | MAY 7101P289-60 |
| 23 | MAY 3801F218-51 |
| 24 | MAY 3804F103-51 |
| 25 | MAY 4804F034-60 |
| 25 | MAY 7101P280-60 |
| 25 | MAY 8002P025-60 |
| 26 | MAY 8009P024-60 |
| 27 | SCREW, LEVER |
| 27 | MAY 7109P015-60 |
| 28 | MAY 7701P132-60 |
| 28 | MAY 7112P003-60 |
| 29 | WPW10245259 Whirlpool Terminal Block |
| 30 | MAY 7403P160-60 |
| 31 | MAY 7403P228-60 |
| 32 | MAY 7101P130-60 |
| 33 | MAY 7407P097-60 |
| 34 | MAY 3801F302-45 |
| 35 | MAY 3801F354-51 |
| 36 | MAY 7403P357-60 |
| 37 | MAY 7101P330-60 |
| 38 | MAY 7109P020-60 |
| 39 | MAY 7803P067-60 |
| 40 | MAY 7809P022-60 |
| 41 | MAY 8003P012-60 |
| 42 | MAY 7003P062-60 |
| 43 | MAY 5195D082-60 |
| 43 | MAY 5175D052-60 |
| 44 | MAY 5170P206-60 |