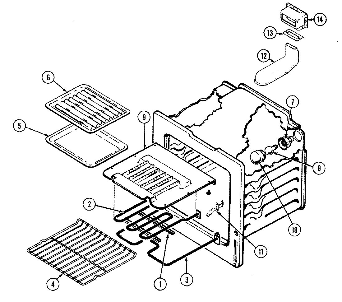
FCE4042B 04 – OVEN