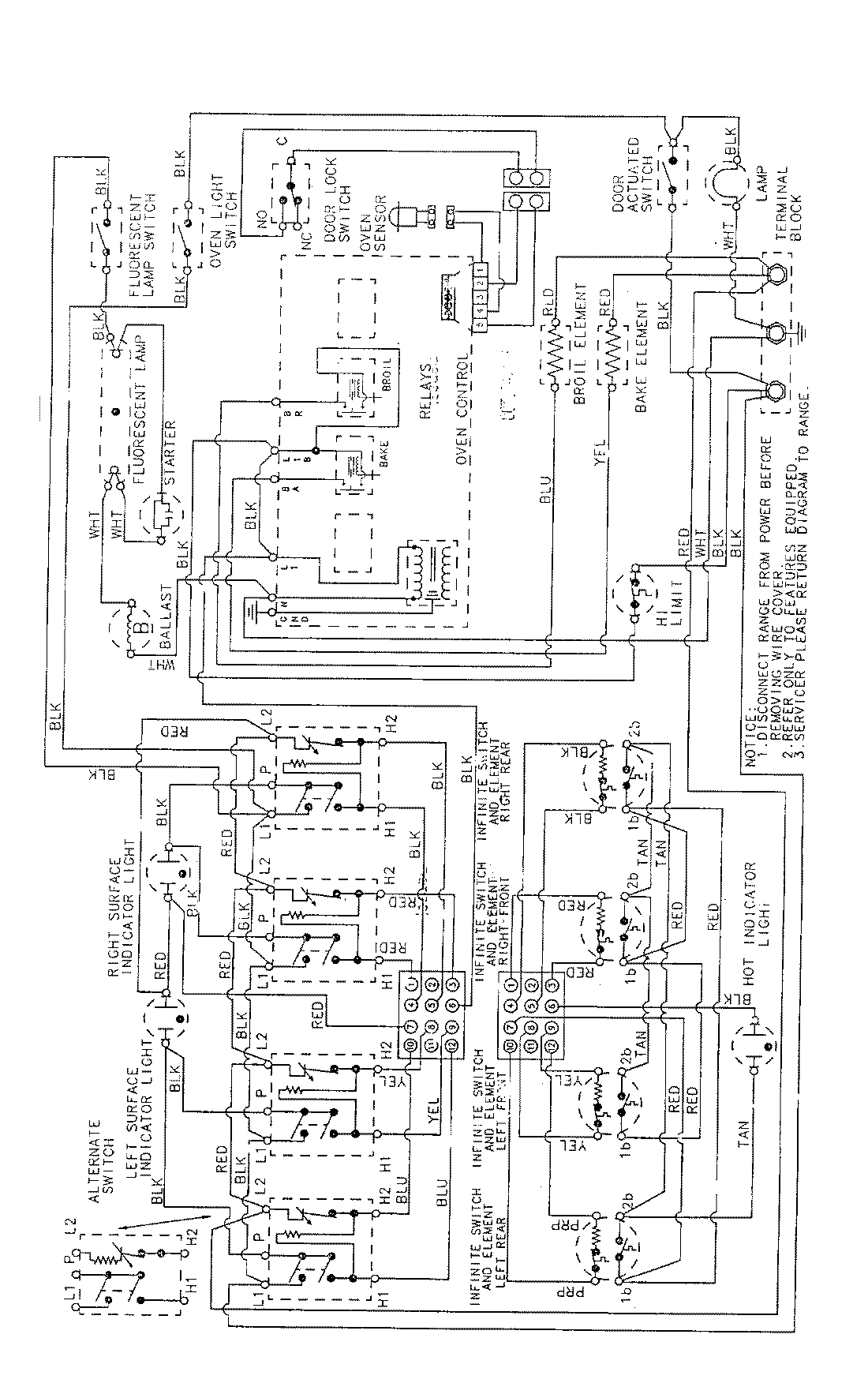
FCE4042B 06 – WIRING INFORMATIONadmin2025-04-26T09:31:25+00:00FCE4042B 06 – WIRING INFORMATION ProductsPositionProductNIMAY 15001130